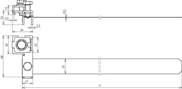
Antenna Earthing

Pipe clamp for lightning equipotential bonding of pipes (e.g. antenna poles) according to IEC/EN 62305-3.

With gradually adjustable tensioning strap, for connecting one or two conductors and suitable for through-wiring.

Pipe clamps for antennas – complete

Connection for:
1 conductor Rd Ø10 mm or 1-2 conductors Rd Ø6-8 mm or 4-50 mm2 (solid / stranded).

2 产品

货号 540103 BRS 16.89 AK1X10 2X6.8 V2A

全球贸易项目代码 4013364101302, 海关HS编码: 85359000, 总重: 119.71 g, 包装单位: 10.00 pc(s)

前代产品

图片

附加信息

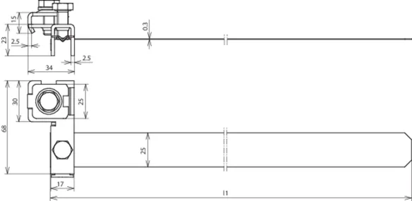
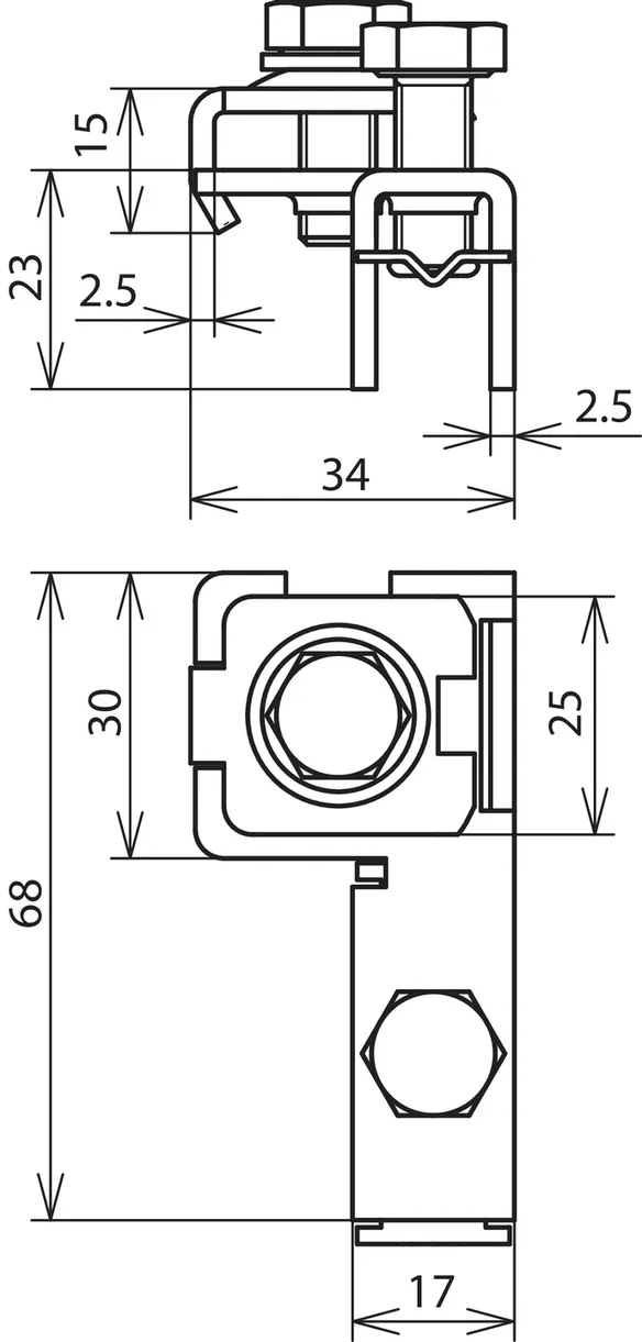
Antenna pipe clamp, StSt (16-89 mm)
Antenna pipe clamps for lightning current carrying capable
connection e.g. of antenna masts and for
lightning equipotential bonding according to DIN EN 62305-3
(VDE 0185-305-3) with infinitely adjustable tensioning strap
for 1 or 2 conductors and suitable for through-wiring
For connecting 1 conductor Rd 10 mm, 1 or 2 conductors
Rd 6-8 mm or 4-50 mm²
Material: StSt
Clamping range pipe Ø: 16-89 mm (3/8-3'')
Dimensions of strap: 330 x 25 x 0.3 mm
Connection (solid / stranded): 4-50 mm2
Standard: EN 62561-1

Brand: DEHN
Type: BRS 16.89 AK1X10 2X6.8 V2A
Part No.: 540103
or equivalent.

认证

 

技术参数

Material StSt
Clamping range pipe Ø 16-89 mm (3/8-3'')
Dimensions of strap (l1 x w x d) 330 x 25 x 0.3 mm
Connection Rd 1-2 conductors Rd Ø6-8 mm / 1x Ø10 mm
Connection (solid / stranded) 4-50 mm2
Screw di M8 x 20 mm
Material of screw StSt
Standard EN 62561-1
*) For exact assignment, see test certificate.

.产品已加入收藏夹。

商品540103加入购物车。

货号 540100 BRS 16.168 AK1X10 2X6.8 V2A

全球贸易项目代码 4013364094109, 海关HS编码: 85359000, 总重: 133.00 g, 包装单位: 10.00 pc(s)


图片

附加信息

Antenna pipe clamp, StSt (16-168 mm)
Antenna pipe clamps for lightning current carrying capable
connection e.g. of antenna masts and for
lightning equipotential bonding according to DIN EN 62305-3
(VDE 0185-305-3) with infinitely adjustable tensioning strap
for 1 or 2 conductors and suitable for through-wiring
For connecting 1 conductor Rd 10 mm, 1 or 2 conductors
Rd 6-8 mm or 4-50 mm²
Material: StSt
Clamping range pipe Ø: 16-168 mm (3/8-6'')
Dimensions of strap: 570 x 25 x 0.3 mm
Connection (solid / stranded): 4-50 mm2
Standard: EN 62561-1

Brand: DEHN
Type: BRS 16.168 AK1X10 2X6.8 V2A
Part No.: 540100
or equivalent.

认证

 

技术参数

Material StSt
Clamping range pipe Ø 16-168 mm (3/8-6'')
Dimensions of strap (l1 x w x d) 570 x 25 x 0.3 mm
Connection Rd 1-2 conductors Rd Ø6-8 mm / 1x Ø10 mm
Connection (solid / stranded) 4-50 mm2
Screw di M8 x 20 mm
Material of screw StSt
Standard EN 62561-1
*) For exact assignment, see test certificate.

.产品已加入收藏夹。

商品540100加入购物车。


Separate grip head

For combination with endless tensioning strap (Part No. 540 901).
Connection for:
1 conductor Rd Ø10 mm or 1-2 conductors Rd Ø6-8 mm or 4-50 mm2 (solid / stranded).

1 产品

货号 540110 SPK 25 BRS AK1X10 2X6.8 V2A

全球贸易项目代码 4013364094116, 海关HS编码: 85359000, 总重: 100.00 g, 包装单位: 50.00 pc(s)


图片

附加信息

Antenna pipe clamp, separate grip head StSt
Pipe clamp for antennas for a lightning current carrying
capable connection, for example, of antenna masts
and for lightning equipotential bonding according to
DIN EN 62305-3 (VDE 0185-305-3).
With infinitely adjustable tensioning strap for 1 or 2 conductors
and suitable for through-wiring
For connecting 1 conductor Rd 10 mm, 1 or 2 conductors
Rd 6-8 mm or 4-50 mm²
Separate grip head for combining with
endless tensioning strap (Part No. 540 901)
Material: StSt
Connection (solid / stranded): 4-50 mm2
Standard: EN 62561-1

Brand: DEHN
Type: SPK 25 BRS AK1X10 2X6.8 V2A
Part No.: 540110
or equivalent.

认证

 

技术参数

Material StSt
Connection Rd 1-2 conductors Rd Ø6-8 mm / 1x Ø10 mm
Connection (solid / stranded) 4-50 mm2
Screw di M8 x 20 mm
Material of screw StSt
Standard EN 62561-1
*) For exact assignment, see test certificate.

.产品已加入收藏夹。

商品540110加入购物车。


Endless tensioning strap

For cutting to length, e.g. with snips.

1 产品

货号 540901 SPB 25X0.3 L100M V2A

全球贸易项目代码 4013364076525, 海关HS编码: 73269098, 总重: 6.30 kg, 包装单位: 1.00 pc(s)


图片

附加信息

Pipe clamps for tensioning strap for Ex areas
Earthing pipe clamp for combination with various
fixing elements or connection components
Material: StSt
Dimensions of strap: 25 x 0.3 mm
Length: 100 m

Brand: DEHN
Type: SPB 25X0.3 L100M V2A
Part No.: 540901
or equivalent.

认证

 

技术参数

Material StSt
Dimensions of strap (w x d) 25 x 0.3 mm
Length 100 m

.产品已加入收藏夹。

商品540901加入购物车。


Connection clamp for earth rods

Connection clamp for equipotential bonding connection of pipes (e.g. antenna poles) to earth rods via a solid /stranded conductor.

1 产品

货号 540121 AK 8.10 AQ4 50 TE20 25 V4A

全球贸易项目代码 4013364380660, 海关HS编码: 85359000, 总重: 147.00 g, 包装单位: 25.00 pc(s)


图片

附加信息

Connection clamp for earth rods 20-25mm D StSt (V4A)
Connection clamps for cross and parallel connection
of round conductors or cables to earth rods
Material: StSt (V4A)
Material No.: 1.4571 / 1.4404 / 1.4401
ASTM / AISI: : 316Ti / 316L / 316
For earth rods Ø: 20-25 mm
Clamping range Rd: 8-10 mm
Connection (solid / stranded): 4-50 mm2
Standard: EN 62561-1

Brand: DEHN
Type: AK 8.10 AQ4 50 TE20 25 V4A
Part No.: 540121
or equivalent.

认证

 

技术参数

Material StSt (V4A)
Material No. 1.4571 / 1.4404 / 1.4401
ASTM / AISI: 316Ti / 316L / 316
For earth rods Ø 20-25 mm
Clamping range Rd 8-10 mm
Connection (solid / stranded) 4-50 mm2
Screw d M8 x 20 / 25 mm
Standard EN 62561-1
*) For exact classification, see test certificate.

.产品已加入收藏夹。

商品540121加入购物车。


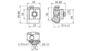
UNI KS connector

Universal clamping screw connector for the lightning-current-carrying connection of round conductors and also of solid / stranded conductors, e.g. to flat profiles, downpipe clamps as well as equipotential bonding bars.

1 产品

货号 540122 UKSV 6.10 AQ16 50 V4A

全球贸易项目代码 4013364379930, 海关HS编码: 85359000, 总重: 66.00 g, 包装单位: 25.00 pc(s)


图片

附加信息

KS connector one-piece version StSt (V4A)
KS connector for connection to flat profiles
with guide and wrench flat
Material: StSt (V4A)
Material No.: 1.4571 / 1.4404 / 1.4401
ASTM / AISI: : 316Ti / 316L / 316
Clamping range Rd: 6-10 mm
Connection (solid / stranded): 16-50 mm2
Standard: EN 62561-1
Short-circuit current (AC 50 Hz / DC): 3.9 kA

Brand: DEHN
Type: UKSV 6.10 AQ16 50 V4A
Part No.: 540122
or equivalent.

认证

 

技术参数

Material StSt (V4A)
Material No. 1.4571 / 1.4404 / 1.4401
ASTM / AISI: 316Ti / 316L / 316
Clamping range Rd 6-10 mm
Connection (solid / stranded) 16-50 mm2
Screw M10 mm
Standard EN 62561-1
*) See test certificate for exact classification.

.产品已加入收藏夹。

商品540122加入购物车。


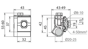
Gutter clamp

Gutter clamp for the lightning-current-carrying connection of the antenna earthing (e.g. 16 mm2) at the cross point with the gutter.

1 产品

货号 540120 DRK 8.10 AQ4 50 W16.22 V2A

全球贸易项目代码 4013364379947, 海关HS编码: 85359000, 总重: 147.00 g, 包装单位: 25.00 pc(s)


图片

附加信息

Gutter clamp with UNI earthing clamp StSt
Gutter clamp for bonding conductors with gutters
Material: StSt
Clamping range bead : 16-22 mm
Clamping range Rd: 8-10 mm
Connection (solid / stranded): 4-50 mm2
Standard: EN 62561-1

Brand: DEHN
Type: DRK 8.10 AQ4 50 W16.22 V2A
Part No.: 540120
or equivalent.

认证

 

技术参数

Material StSt
Clamping range bead 16-22 mm
Clamping range Rd 8-10 mm
Connection (solid / stranded) 4-50 mm2
Screw d M8 x 20 / 25 mm
Material of screw StSt
Standard EN 62561-1
*) See test certificate for exact classification.

.产品已加入收藏夹。

商品540120加入购物车。


返回顶部