DEHNvario

多合一系列电涌保护器
  • 紧凑型端子方便快速安装
  • 直插式技术确保快速接线无需工具
  • 通过释放及取出端子,可实现快速更护电涌保护器
  • 通过DIN轨实现接地/等电位连接
  • 用于客户定制或特殊应用场合

详情

通过释放及取出端子,可实现快速更护电涌保护器
lorem ipsum
指示功能可供选择
lorem ipsum
内置测试点,方便通过测试探针来测试信号电路
lorem ipsum
接地部件可承载雷电流
lorem ipsum
例:紧凑型3合1电涌保护器可保护一个设备的3个接口
lorem ipsum
直插式技术,无需工具即可接线
lorem ipsum

DVR 2 BY S 150 FM

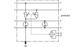
紧凑型多合一电涌保护器,用于电声系统保护(如:警报系统、扬声器系统等)。保护电气隔离的1对线,直接屏蔽或间接屏蔽接地。直插式技术确保快速接线无需工具;可插拔的端子单元可确保快速更换电涌保护器;同时内置遥信触点(常闭触点)。

1 产品

货号 928430 DVR 2 BY S 150 FM

全球贸易项目代码 4013364261389, 海关HS编码: 853630, 总重: 161.30 g, 包装单位: 1.00


图片

附加信息

DEHNvario 紧凑型多合一电涌保护器用于电声系统保护
SPD 分类:Type 1 / P2
依据 EN 61643-21 测试
依据 IEC 61643-22 能量协调
用于电声系统保护(如:警报系统、扬声器系统等)
保护电气隔离的1对线,直接屏蔽或间接屏蔽接地
直插式技术确保快速接线无需工具
可插拔的端子单元可确保快速更换电涌保护器
内置遥信触点(常闭触点)
安装于35 mm DIN轨,2模宽度
标称交流电压: 100 V
直流最大持续工作电压: 150 V
交流最大持续工作电压 : 110 V
标称电流 (70 °C) : 10 A
标称电流 (80 °C) : 7 A
D1 每线雷电冲击电流 (10/350 µs) : 2.5 kA
D1 总雷电冲击电流 (10/350 µs): 9 kA
C2 每线标称放电电流 (8/20 µs): 7.5 kA
C2 总标称放电电流 (8/20 µs): 22.5 kA
截止频率 (线-线): 1.4 MHz
防护等级: IP 20

制造商: DEHN
型号: DVR 2 BY S 150 FM
货号: 928430
其他类似产品

认证

 

技术参数

SPD分类 L
直流最大持续工作电压 (UC ) 150 V
标称电流 (70 °C) (IL ) 10 A
标称电流 (80 °C) (IL ) 7 A
D1 每线雷电冲击电流 (10/350 µs) (Iimp ) 2.5 kA
C2 总标称放电电流 (8/20 µs) (In ) 22.5 kA
截止频率 (线-线) (fG ) 1.4 MHz

.产品已加入收藏夹。

商品928430加入购物车。


DVR BNC RS485 230

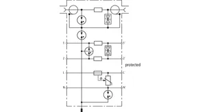
紧凑型3合1电涌保护器,用于模拟摄像系统的视频(BNC接口)、数据(RS485)、供电电源(交流 230 V)的保护,电源保护集成故障指示。直插式技术确保快速接线无需工具。

1 产品

货号 928440 DVR BNC RS485 230

全球贸易项目代码 4013364280809, 海关HS编码: 853630, 总重: 185.50 g, 包装单位: 1.00


图片

附加信息

DEHNvario 紧凑型3合1电涌保护器用于模拟摄像系统保护
SPD 分类:Type 2 / P2
依据 EN 61643-21 测试
依据 IEC 61643-22 能量协调
用于保护视频信号(BNC接口)
数据信号(RS485)
供电电源(交流 230 V)
直插式技术确保快速接线无需工具
可插拔的端子单元可确保快速更换电涌保护器
安装于35 mm DIN轨,2模宽度

SPD等级:
供电 2级 / II级
数据 Type 2 / P1
视频 Type 2 / P2
标称电压:
供电 230 V 交流
数据 5 V 直流
视频 5 V 直流
最大持续工作电压:
供电 255 V 交流
数据 8 V 直流
视频 6.4 V 直流
标称电流:
供电 10 A
数据 0.5 A
视频 100 mA
标称放电电流 (8/20 µs):
每线 5 kA
总 10 kA
截止频率:
数据 100 MHz
视频 300 MHz (75 ohms)
防护等级:IP 20

制造商: DEHN
型号: DVR BNC RS485 230
货号: 928440
其他类似产品

认证

 

技术参数

视频 (BNC)
SPD分类 U
直流最大持续工作电压 (UC ) 6.4 V
标称电流 (IL ) 0.1 mA
C2 标称放电电流 (8/20 µs) (屏蔽-PG) (In ) 10 kA
插入损耗 300 MHz (75 ohms) ≤ 3.0 dB
接线方式 (入/出) BNC 母头 / BNC 母头
数据 (RS485)
SPD分类 T
直流最大持续工作电压 (UC ) 8 V
标称电流 (IL ) 0.5 A
C2 总标称放电电流 (8/20 µs) (In ) 10 kA
截止频率 (线-线) (fG ) 100 MHz
供电电压 (230 V)
SPD分类 2 级/ II 级
交流最大持续工作电压 [L-N] (UC ) 255 V (50 / 60 Hz)
交流最大持续工作电压 [N-PE] (UC ) 255 V (50 / 60 Hz)
标称电流 (IL ) 10 A
标称放电电流 (8/20 µs) (In ) 5 kA
最大放电电流 (8/20 μs) (Imax ) 10 kA
电压保护水平 [L-N] (UP ) ≤ 1.5 kV
电压保护水平 [N-PE] (UP ) ≤ 1.5 kV

.产品已加入收藏夹。

商品928440加入购物车。


返回顶部