引下线夹持件,用于HVI power引下线,适用于危险区域

潜在爆炸性环境设施的运营人员有责任根据不同的危险区域对这些设施进行指定。对于这些设施来说,雷电是一种潜在的点火源。国家标准也对危险区域进行了说明。

用于安装在爆炸危险区域Ex 1区(气体,蒸汽,薄雾),Ex 21区(粉尘)的HVI power引下线。特殊的安装方式,可以确保当雷电流通过HVI power引下线时,不会对邻近金属部件产生电火花。

详情

lorem ipsum
lorem ipsum

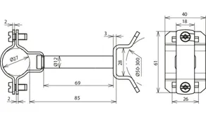
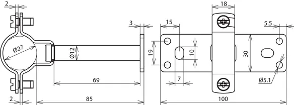
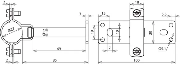
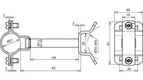
引下线夹持件 HVI power Ex W85

用于固定在危险区域Ex 1区和Ex 21区的金属结构件上(外立面)。

1 产品

货号 275450 LH ZS 27 EX W85 BP V2A

全球贸易项目代码 4013364244436, 海关HS编码: 853890, 总重: 179.40 g, 包装单位: 10.00


图片

附加信息

引下线夹持件,用于HVI power引下线,适用于危险区域,不锈钢
带间隔器(85 mm)
用于固定在危险区域Ex 1区和Ex 21区的金属结构件上(外立面)
夹持圆导体直径: 27 mm
固定孔径: [4x] Ø5.1 / [2x] 7 x 10 mm
测试标准: DIN IEC/TS 62561-8 (VDE V 0185-561-8)

制造商: DEHN
型号: LH ZS 27 EX W85 BP V2A
货号: 275450
其他类似产品

认证

 

技术参数

材料 不锈钢 StSt
夹持圆导体直径 27 mm
墙面间距 85 mm
固定孔径 [4x] Ø5.1 / [2x] 7 x 10 mm
测试标准 DIN IEC/TS 62561-8 (VDE V 0185-561-8)

.产品已加入收藏夹。

商品275450加入购物车。


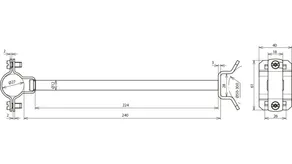
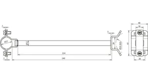
引下线夹持件 HVI power Ex W240

用于固定在危险区域Ex 1区和Ex 21区的金属结构件上(外立面)。

1 产品

货号 275451 LH ZS 27 EX W240 BP V2A

全球贸易项目代码 4013364244498, 海关HS编码: 853890, 总重: 291.40 g, 包装单位: 10.00


图片

附加信息

引下线夹持件,用于HVI power引下线,适用于危险区域,不锈钢
带间隔器(240 mm)
用于固定在危险区域Ex 1区和Ex 21区的金属结构件上(外立面)
夹持圆导体直径: 27 mm
固定孔径: [4x] Ø5.1 / [2x] 7 x 10 mm
测试标准: DIN IEC/TS 62561-8 (VDE V 0185-561-8)

制造商: DEHN
型号: LH ZS 27 EX W240 BP V2A
货号: 275451
其他类似产品

认证

 

技术参数

材料 不锈钢 StSt
夹持圆导体直径 27 mm
墙面间距 240 mm
固定孔径 [4x] Ø5.1 / [2x] 7 x 10 mm
测试标准 DIN IEC/TS 62561-8 (VDE V 0185-561-8)

.产品已加入收藏夹。

商品275451加入购物车。


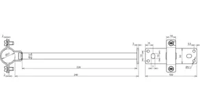
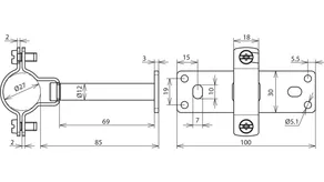
引下线夹持件 HVI power Ex P85

用于固定在危险区域Ex 1区和Ex 21区的管道上,需配合管夹使用(货号:106 323)。

1 产品

货号 275454 LH ZS 27 EX P85 SBB V2A

全球贸易项目代码 4013364244504, 海关HS编码: 853890, 总重: 188.50 g, 包装单位: 10.00


图片

附加信息

引下线夹持件,用于HVI power引下线,适用于危险区域,不锈钢
带间隔器(95 mm)
用于固定在危险区域Ex 1区和Ex 21区的管道上
需配合管夹使用(货号:106 323)
夹持圆导体直径: 27 mm
夹持范围 支撑管: 50-300 mm
测试标准: DIN IEC/TS 62561-8 (VDE V 0185-561-8)

制造商: DEHN
型号: LH ZS 27 EX P85 SBB V2A
货号: 275454
其他类似产品

认证

 

技术参数

材料 不锈钢 StSt
夹持圆导体直径 27 mm
墙面间距 85 mm
夹持范围 支撑管 50-300 mm
测试标准 DIN IEC/TS 62561-8 (VDE V 0185-561-8)

.产品已加入收藏夹。

商品275454加入购物车。


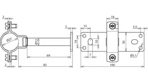
引下线夹持件 HVI power Ex P240

用于固定在危险区域Ex 1区和Ex 21区的管道上,需配合管夹使用(货号:106 323)。

1 产品

货号 275455 LH ZS 27 EX P240 SBB V2A

全球贸易项目代码 4013364244535, 海关HS编码: 853890, 总重: 296.30 g, 包装单位: 10.00


图片

附加信息

引下线夹持件,用于HVI power引下线,适用于危险区域,不锈钢
带间隔器(250 mm)
用于固定在危险区域Ex 1区和Ex 21区的管道上
需配合管夹使用(货号:106 323)
夹持圆导体直径: 27 mm
夹持范围 支撑管: 50-300 mm
测试标准: DIN IEC/TS 62561-8 (VDE V 0185-561-8)

制造商: DEHN
型号: LH ZS 27 EX P240 SBB V2A
货号: 275455
其他类似产品

认证

 

技术参数

材料 不锈钢 StSt
夹持圆导体直径 27 mm
墙面间距 240 mm
夹持范围 支撑管 50-300 mm
测试标准 DIN IEC/TS 62561-8 (VDE V 0185-561-8)

.产品已加入收藏夹。

商品275455加入购物车。


返回顶部