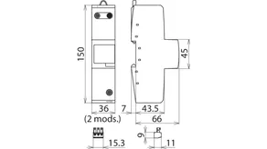
货号 961200 DVCI 1 255
全球贸易项目代码 4013364145108, 海关HS编码: 853630, 总重: 477.30 g, 包装单位: 1.00 件
技术参数
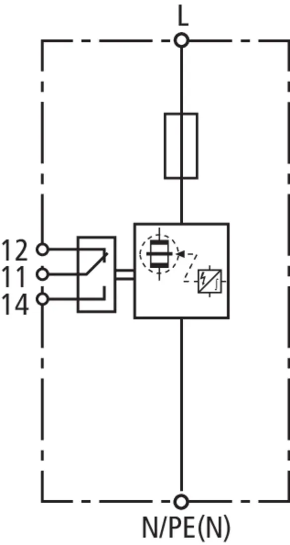
| SPD依据 EN 61643-11 / ... IEC 61643-11 | 1级+2级 / I级+II级 |
| 交流最大持续工作电压 (UC ) | 255 V (50 / 60 Hz) |
| 雷电冲击电流 (10/350 µs) (Iimp ) | 25 kA |
| 电压保护水平 (UP ) | ≤ 1.5 kV |
| 最大后备熔丝 | 内置后备熔断器 |
| 认证 | KEMA |
| 附加技术参数 | 用于预期短路电流大于50 kArms的配电设备(经过VDE测试) |
| - 最大预期短路电流 | 100 kArms (220 kApeak) |
货号 961205 DVCI 1 255 FM
全球贸易项目代码 4013364145115, 海关HS编码: 853630, 总重: 480.80 g, 包装单位: 1.00 件
技术参数
| SPD依据 EN 61643-11 / ... IEC 61643-11 | 1级+2级 / I级+II级 |
| 交流最大持续工作电压 (UC ) | 255 V (50 / 60 Hz) |
| 雷电冲击电流 (10/350 µs) (Iimp ) | 25 kA |
| 电压保护水平 (UP ) | ≤ 1.5 kV |
| 最大后备熔丝 | 内置后备熔断器 |
| 认证 | KEMA |
| 遥信触点类型 | 浮动切换触点 |
| 附加技术参数 | 用于预期短路电流大于50 kArms的配电设备(经过VDE测试) |
| - 最大预期短路电流 | 100 kArms (220 kApeak) |

