UGKF

  • 便于系统改造
  • 可直接插入终端设备的同轴接口
  • 内置间接屏蔽接地,避免产生漏电流

详情

UL认证,可供特定国家使用
lorem ipsum
DGA BNC VC系列产品通过配件可方便地进行DIN轨安装或墙面安装
lorem ipsum
DGA BNC VC系列产品均带有BNC接口,方便连接
lorem ipsum
UGKF BNC 可直接插入终端设备的接口
lorem ipsum

UGKF BNC

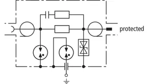
两级电涌保护器,用于保护BNC接口的视频监控和Arcnet系统,间接屏蔽接地,避免产生漏电流。

1 产品

货号 929010 UGKF BNC

全球贸易项目代码 4013364039940, 海关HS编码: 853630, 总重: 67.70 g, 包装单位: 1.00


图片

附加信息

UGKF BNC 两级电涌保护器
SPD 分类:Type 2 / P1
依据 EN 61643-21 测试
同轴BNC接口
用于保护视频监控和Arcnet系统
直流最大持续工作电压 : 8 V
C2 每线标称放电电流 (8/20 μs): 2.5 kA

制造商: DEHN
型号: UGKF BNC
货号: 929010
其他类似产品

认证

 

技术参数

SPD分类 T
直流最大持续工作电压 (UC ) 8 V
标称电流 (IL ) 0.1 A
C2 每线标称放电电流 (8/20 μs) (In ) 2.5 kA
插入损耗 300 MHz (50 ohms) ≤ 3 dB
回波损耗 40 MHz (50 ohms) ≥ 20 dB
插入损耗 265 MHz (75 ohms) ≤ 3 dB
回波损耗 40 MHz (75 ohms) ≥ 20 dB
认证 CSA, UL

.产品已加入收藏夹。

商品929010加入购物车。


返回顶部