BLITZDUCTOR VT

  • 多线路经济保护
  • 特定接口保护,如RS485,电信系统
  • 用于直流供电电源及阴极保护系统

详情

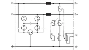
用于阴极保护系统的BVT电涌保护器。
lorem ipsum
1.5模宽度的BVT产品,带螺丝端子:
BVT AVD/ALD:直流供电系统的2线保护
lorem ipsum
1.5模宽度的BVT产品,RJ 接口:
BVT TC1 保护通信接口
lorem ipsum
3模宽度的BVT产品,带螺丝端子:
BVT RS485:保护RS485 / RS422接口
lorem ipsum

BVT RS485

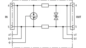
应用范围广泛的电涌保护器,用于4线平衡接口的RS485/422或温度传感器等多种系统。直接或间接屏蔽接地,可接入信号地。

1 产品

货号 918401 BVT RS485 5

全球贸易项目代码 4013364074224, 海关HS编码: 853630, 总重: 199.00 g, 包装单位: 1.00


图片

附加信息

BVT RS485 5 电涌保护器
SPD 分类:Type 2 / P1
依据 EN 61643-21 测试
依据 IEC 61643-22 能量协调
用于总线信号保护(RS485/422)
直接/间接屏蔽接地
螺丝端子接线
6极,3模宽度
标称直流电压 : 5 V
直流最大持续工作电压 : 6 V
标称电流: 0.5 A
C2 总标称放电电流 (8/20 µs): 10 kA

制造商: DEHN
型号: BVT RS485 5
货号: 918401
其他类似产品

认证

 

技术参数

SPD分类 Q
直流最大持续工作电压 (UC ) 6 V
标称电流 (IL ) 0.5 A
D1 每线雷电冲击电流 (10/350 µs) (Iimp ) 0.8 kA
C2 总标称放电电流 (8/20 µs) (In ) 10 kA
每线串联阻抗 1.8 ohms
截止频率 (线-线) (fG ) 1.7 MHz
认证 CSA

.产品已加入收藏夹。

商品918401加入购物车。


BVT AVD

优化电压保护水平的电涌保护器,用于直流供电系统的电子元件的EMC防护。特别适用于西门子SPS保护。由于使用了单向二极管,要特别注意工作电压的极性。

1 产品

货号 918422 BVT AVD 24

全球贸易项目代码 4013364149267, 海关HS编码: 853630, 总重: 109.10 g, 包装单位: 1.00

前代产品

图片

附加信息

BVT AVD 24 电涌保护器
用于PLC的EMC防护
SPD 分类:Type 3 / P1
依据 EN 61643-21 测试
依据 IEC 61643-22 能量协调
特别适用于西门子SPS保护
螺丝端子,2极,1.5模宽度
标称直流电压 : 24 V
直流最大持续工作电压 : 35 V
标称电流 (80 °C) : 10 A
C2 总标称放电电流 (8/20 µs): 2 kA

制造商: DEHN
型号: BVT AVD 24
货号: 918422
其他类似产品

认证

 

技术参数

SPD分类 W
直流最大持续工作电压 (UC ) 35 V
标称电流 (80 °C) (IL ) 10 A
C2 总标称放电电流 (8/20 µs) (In ) 2 kA

.产品已加入收藏夹。

商品918422加入购物车。


BVT ALD

能量协调的复合型雷电流/电涌保护器,DIN 轨安装,用于保护不接地的直流系统。

2 产品

货号 918408 BVT ALD 36

全球贸易项目代码 4013364125292, 海关HS编码: 853630, 总重: 122.00 g, 包装单位: 1.00


图片

附加信息

BVT ALD 36 能量协调的复合型雷电流/电涌保护器
用于保护不接地的直流系统
SPD 分类:Type 1 / P1
依据 EN 61643-21 测试
依据 IEC 61643-22 能量协调
DIN轨安装
螺丝端子,2极,1.5模宽度
标称直流电压 : 36 V
直流最大持续工作电压 : 45 V
标称电流 (80 °C) : 4 A
标称电流 (45 °C): 7 A
C2 总标称放电电流 (8/20 µs): 20 kA

制造商: DEHN
型号: BVT ALD 36
货号: 918408
其他类似产品

认证

 

技术参数

SPD分类 M
直流最大持续工作电压 (UC ) 45 V
标称电流 (80 °C) (IL ) 4 A
标称电流 (45 °C) (IL ) 7 A
D1 每线雷电冲击电流 (10/350 µs) (Iimp ) 2.5 kA
D1 总雷电冲击电流 (10/350 µs) (Iimp ) 5 kA
C2 总标称放电电流 (8/20 µs) (In ) 20 kA
每线串联阻抗 22 µH
认证 UL

.产品已加入收藏夹。

商品918408加入购物车。

货号 918409 BVT ALD 60

全球贸易项目代码 4013364146709, 海关HS编码: 853630, 总重: 122.00 g, 包装单位: 1.00


图片

附加信息

BVT ALD 60 能量协调的复合型雷电流/电涌保护器
用于保护不接地的直流系统
SPD 分类:Type 1 / P1
依据 EN 61643-21 测试
依据 IEC 61643-22 能量协调
DIN轨安装
螺丝端子,2极,1.5模宽度
标称直流电压 : 60 V
直流最大持续工作电压 : 65 V
标称电流 (80 °C) : 4 A
标称电流 (45 °C): 7 A
C2 总标称放电电流 (8/20 µs): 20 kA

制造商: DEHN
型号: BVT ALD 60
货号: 918409
其他类似产品

认证

 

技术参数

SPD分类 M
直流最大持续工作电压 (UC ) 65 V
标称电流 (80 °C) (IL ) 4 A
标称电流 (45 °C) (IL ) 7 A
后备熔丝 UN ≥ 45 V 和 IL ≥ 1 A
D1 每线雷电冲击电流 (10/350 µs) (Iimp ) 2.5 kA
D1 总雷电冲击电流 (10/350 µs) (Iimp ) 5 kA
C2 总标称放电电流 (8/20 µs) (In ) 20 kA
每线串联阻抗 22 µH
认证 UL

.产品已加入收藏夹。

商品918409加入购物车。


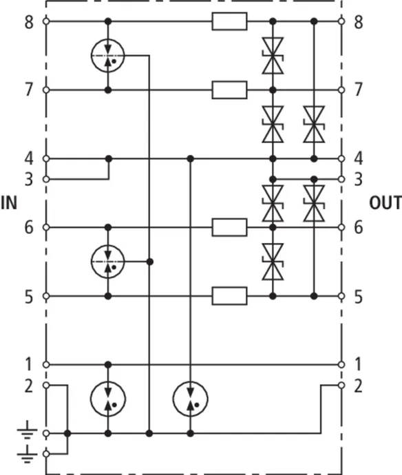
BVT TC

能量协调型无漏流电涌保护器,具备RJ45接口及附加螺丝端子,用于保护双绞线,ISDN Uk0或ADSL。RJ45接口可兼容RJ11/12。螺丝端子比RJ45接口更坚固,In可达10kA。

1 产品

货号 918411 BVT TC 1

全球贸易项目代码 4013364093133, 海关HS编码: 853630, 总重: 110.90 g, 包装单位: 1.00


图片

附加信息

BVT TC 1 无漏流电涌保护器
SPD 分类:Type 2 / P2
依据 EN 61643-21 测试
依据 IEC 61643-22 能量协调
用于保护ADSL,ISDN Uk0
2极,1.5模宽度
RJ45接口或螺丝端子
直流最大持续工作电压 : 170 V
标称电流: 0.2 A
C2 总标称放电电流 (8/20 µs): 5 kA

制造商: DEHN
型号: BVT TC 1
货号: 918411
其他类似产品

认证

 

技术参数

SPD分类 R
直流最大持续工作电压 (UC ) 170 V
标称电流 (IL ) 0.2 A
D1 每线雷电冲击电流 (10/350 µs) (Iimp ) 1 kA
C2 总标称放电电流 (8/20 µs) (In ) 5 kA
每线串联阻抗 4.7 ohms
截止频率 (线-线) (fG ) 17 MHz

.产品已加入收藏夹。

商品918411加入购物车。


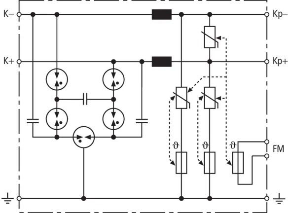
BVT KKS ALD

能量协调式复合雷电流电涌保护器,为保护电路中的整流器提供保护(红色)。用于过载显示的可插拔遥信端子(常闭触点)(压敏电阻的热监测)。推荐安装在钢板外壳中。通过电容控制器实现低脉冲火花电压。

1 产品

货号 918420 BVT KKS ALD 75

全球贸易项目代码 4013364094895, 海关HS编码: 853630, 总重: 229.00 g, 包装单位: 1.00

前代产品

图片

附加信息

BVT KKS ALD 75 能量协调型复合雷电流/电涌保护器
SPD 分类:Type 1 / P1
依据 EN 61643-21 测试
依据 IEC 61643-22 能量协调
用于保护整流器中的阳极保护电路
具有遥信端子(常闭触点)
螺丝端子,2极,3模宽度

直流最大持续工作电压:75 V
标称电流:12 A
D1 总雷电冲击电流 (10/350 µs):7 kA
直流最大持续工作电压 : 75 V
标称电流: 12 A
C2 总标称放电电流 (8/20 µs): 40 kA

制造商: DEHN
型号: BVT KKS ALD 75
货号: 918420
其他类似产品

认证

 

技术参数

SPD分类 M
直流最大持续工作电压 (UC ) 75 V
标称电流 (IL ) 12 A
D1 每线雷电冲击电流 (10/350 µs) (Iimp ) 3.5 kA
D1 总雷电冲击电流 (10/350 µs) (Iimp ) 7 kA
C2 总标称放电电流 (8/20 µs) (In ) 40 kA
每线串联阻抗 5 µH
截止频率 (线-线) (fG ) 1 MHz
遥信触点类型 常闭触点

.产品已加入收藏夹。

商品918420加入购物车。


BVT KKS APD

能量协调式复合雷电流电涌保护器,用于保护电压测量电路(黄色)。用于过载显示的可插拔遥信端子)常闭触点) (放电路径的热监测)。推荐安装在钢板外壳中。 通过电容控制器实现低脉冲火花电压。

1 产品

货号 918421 BVT KKS APD 36

全球贸易项目代码 4013364094901, 海关HS编码: 853630, 总重: 130.30 g, 包装单位: 1.00

前代产品

图片

附加信息

BVT KKS APD 36 能量协调型复合雷电流/电涌保护器
SPD 分类:Type 1 / P1
依据 EN 61643-21 测试
依据 IEC 61643-22 能量协调
用于保护电压测量电路
具有遥信端子(常闭触点)
螺丝端子,2极,1.5模宽度

直流最大持续工作电压:36.8 V
标称电流:0.05 A
D1 总雷电冲击电流 (10/350 µs):7 kA
直流最大持续工作电压 : 36.8 V
标称电流: 0.05 A
C2 总标称放电电流 (8/20 µs): 40 kA

制造商: DEHN
型号: BVT KKS APD 36
货号: 918421
其他类似产品

认证

 

技术参数

SPD分类 M
直流最大持续工作电压 (UC ) 36.8 V
标称电流 (IL ) 0.05 A
D1 每线雷电冲击电流 (10/350 µs) (Iimp ) 3.5 kA
D1 总雷电冲击电流 (10/350 µs) (Iimp ) 7 kA
C2 总标称放电电流 (8/20 µs) (In ) 40 kA
每线串联阻抗 55 Ohm
遥信触点类型 常闭触点

.产品已加入收藏夹。

商品918421加入购物车。


返回顶部