VC 280 2

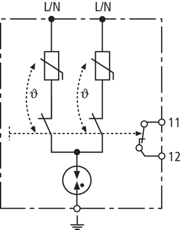
  • 两极电涌保护器,带有监控装置和脱扣装置
  • 为交流电压供电的设备提供完整的电涌保护电路
  • 独特的Y型保护电路提高安全性能
  • 浮动切换触点(接通),带有测试功能,用于故障指示
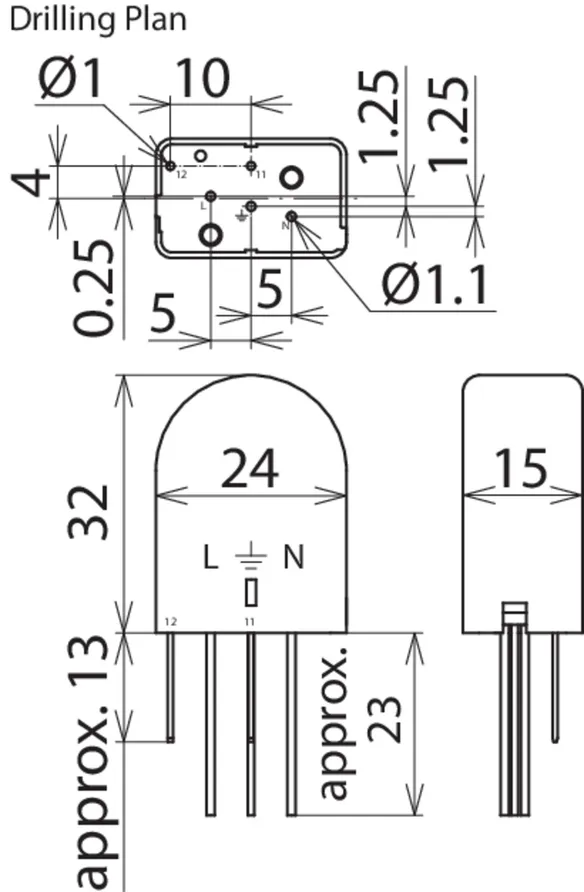
  • 安装在电路板上

VC 280 2

电源电涌保护模块,安装在被保护的终端设备上,带有接通的浮动切换触点。

1 产品

货号 900471 VC 280 2

全球贸易项目代码 4013364067547, 海关HS编码: 853630, 总重: 27.50 g, 包装单位: 1.00


图片

附加信息

VC 280 2 电源电涌保护模块
两极电源电涌保护模块
终端设备保护
依据EN 61643-11, 3级SPD
焊接在电路板上
带浮动切换触点
最大持续工作电压:280 V 交流
总放电电流:5 kA
电压保护水平 L/N:≤ 1.5 kV
最大后备熔丝:16 A gG 或 B 16 A
依据IEC 62305-4可与其它红线产品能量协调使用

制造商: DEHN
型号: VC 280 2
货号: 900471
其他类似产品

认证

 

技术参数

SPD依据 EN 61643-11/...IEC 61643-11 3级 / III级
交流最大持续工作电压 (UC ) 280 V (50 / 60 Hz)
标称放电电流 (8/20 μs) (In ) 3 kA
总放电电流 (8/20 μs) [L+N-PE] (Itotal ) 5 kA
电压保护水平 [L-N] / [L/N-PE] (UP ) ≤ 1250 / ≤ 1500 V
最大后备熔丝 B 16 A
故障指示 遥信端子(常开)

.产品已加入收藏夹。

商品900471加入购物车。


返回顶部