DEHNgap
- 放电能力 100 kA (10/350 μs)
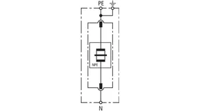
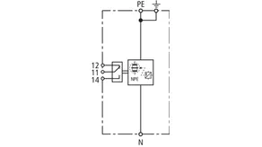
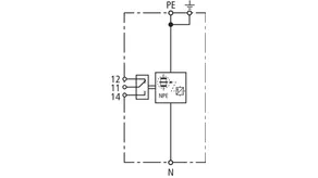
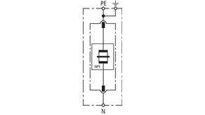
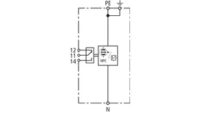
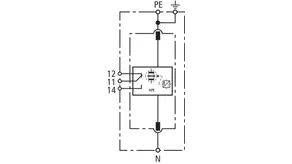
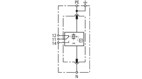
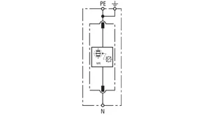
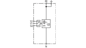
- 总电流保护器尤其适用于,依据IEC 60634-5-53的TT系统中,“3+1”“1+1”电路的N线和PE线之间的保护。
- 沿面放电火花间隙技术
- 工作状态/故障以绿-红标记在监视窗口中指示
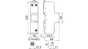
详情
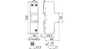
货号 961101 DGP M 255
全球贸易项目代码 4013364118676, 海关HS编码: 853630, 总重: 331.00 g, 包装单位: 1.00 件
前代产品技术参数
| SPD依据 EN 61643-11/...IEC 61643-11 | 1级 / I级 |
| 交流最大持续工作电压 (UC ) | 255 V (50 / 60 Hz) |
| 雷电冲击电流 (10/350 μs) (Iimp ) | 100 kA |
| 电压保护水平 (UP ) | ≤ 1.5 kV |
| 认证 | VDE, KEMA, UL |
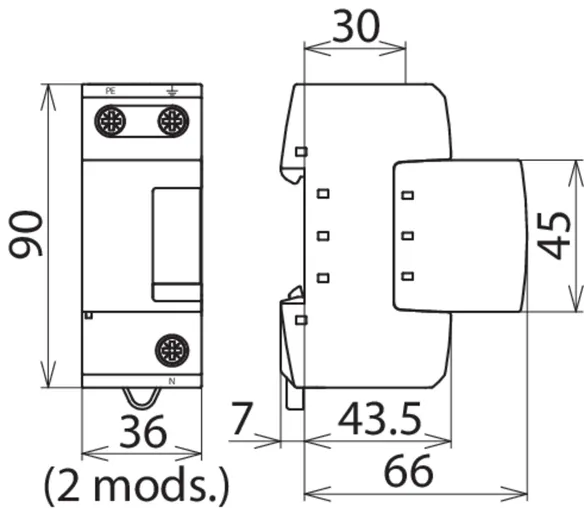
货号 961105 DGP M 255 FM
全球贸易项目代码 4013364118683, 海关HS编码: 853630, 总重: 336.00 g, 包装单位: 1.00 件
前代产品技术参数
| SPD依据 EN 61643-11/...IEC 61643-11 | 1级 / I级 |
| 交流最大持续工作电压 (UC ) | 255 V (50 / 60 Hz) |
| 雷电冲击电流 (10/350 μs) (Iimp ) | 100 kA |
| 电压保护水平 (UP ) | ≤ 1.5 kV |
| 认证 | VDE, KEMA, UL |
| 遥信触点类型 | 浮动切换触点 |
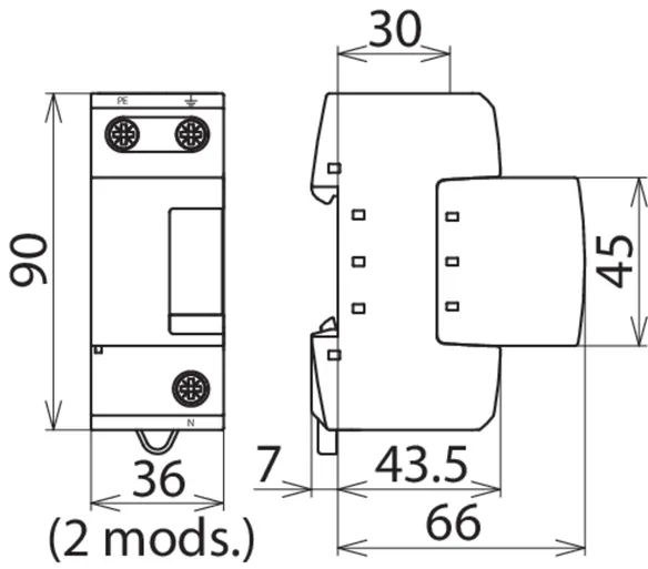
货号 961180 DGPM 1 255
全球贸易项目代码 4013364157323, 海关HS编码: 853630, 总重: 460.00 g, 包装单位: 1.00 件
技术参数
| SPD依据 EN 61643-11/...IEC 61643-11 | 1级+2级 / I级+II级 |
| 交流最大持续工作电压 (UC ) | 255 V (50 / 60 Hz) |
| 雷电冲击电流 (10/350 μs) (Iimp ) | 100 kA |
| 电压保护水平 (UP ) | ≤ 1.5 kV |
| 认证 | KEMA |
货号 961185 DGPM 1 255 FM
全球贸易项目代码 4013364157330, 海关HS编码: 853630, 总重: 460.00 g, 包装单位: 1.00 件
技术参数
| SPD依据 EN 61643-11/...IEC 61643-11 | 1级+2级 / I级+II级 |
| 交流最大持续工作电压 (UC ) | 255 V (50 / 60 Hz) |
| 雷电冲击电流 (10/350 μs) (Iimp ) | 100 kA |
| 电压保护水平 (UP ) | ≤ 1.5 kV |
| 认证 | KEMA |
| 遥信触点类型 | 浮动切换触点 |
货号 961160 DGPM 440
全球贸易项目代码 4013364116290, 海关HS编码: 853630, 总重: 415.00 g, 包装单位: 1.00 件
技术参数
| SPD依据 EN 61643-11/...IEC 61643-11 | 1级 / I级 |
| 交流最大持续工作电压 (UC ) | 440 V (50 / 60 Hz) |
| 雷电冲击电流 (10/350 μs) (Iimp ) | 100 kA |
| 电压保护水平 (UP ) | ≤ 2.5 kV |
| 认证 | UL |
货号 961165 DGPM 440 FM
全球贸易项目代码 4013364116306, 海关HS编码: 853630, 总重: 418.00 g, 包装单位: 1.00 件
技术参数
| SPD依据 EN 61643-11/...IEC 61643-11 | 1级 / I级 |
| 交流最大持续工作电压 (UC ) | 440 V (50 / 60 Hz) |
| 雷电冲击电流 (10/350 μs) (Iimp ) | 100 kA |
| 电压保护水平 (UP ) | ≤ 2.5 kV |
| 认证 | UL |
| 遥信触点类型 | 浮动切换触点 |
货号 961102 DGPH M 255
全球贸易项目代码 4013364118690, 海关HS编码: 853630, 总重: 300.00 g, 包装单位: 1.00 件
前代产品技术参数
| SPD依据 EN 61643-11/...IEC 61643-11 | 1级 / I级 |
| 交流最大持续工作电压 (UC ) | 255 V (50 / 60 Hz) |
| 雷电冲击电流 (10/350 μs) (Iimp ) | 100 kA |
| 电压保护水平 (UP ) | ≤ 4 kV |
