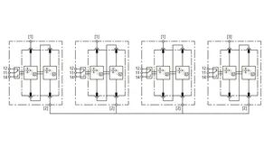
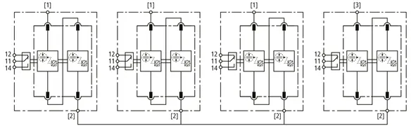
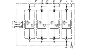
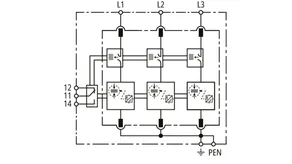
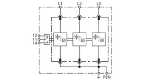
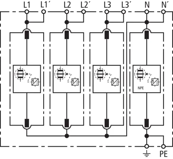
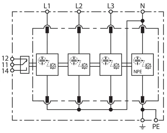
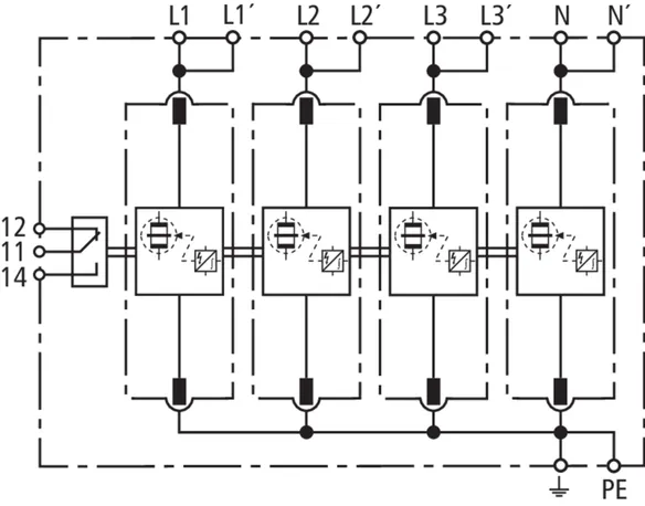
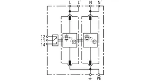
DEHNventil modular
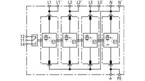
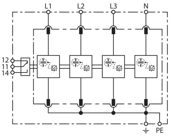
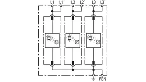
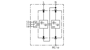
- 预接线的1级+2级+3级火花间隙型复合雷电流电涌保护器,由底座和可插拔整体式保护模块组成
- 强大的RAC 火花间隙技术,为终端设备提供极佳的保护
- 短路电流至50 kArms时,20 A gG 熔丝不会误动作
- 放电能力高达100 kA (10/350 μs)
- 可保护终端设备
- 通过视窗显示的绿色或者红色标志来指示工作状态/故障状态
- 带有模块锁扣装置,通过模块释放按钮轻松更换保护模块
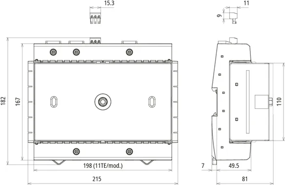
详情
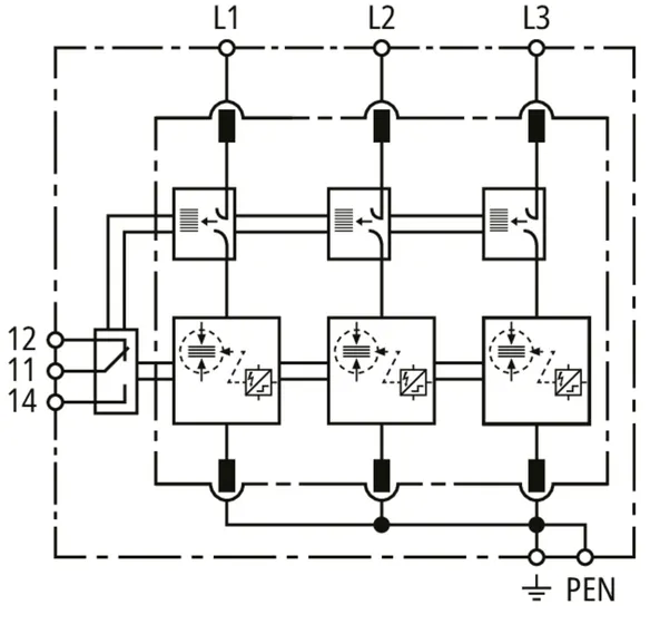
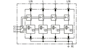
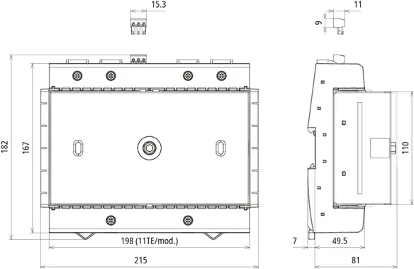
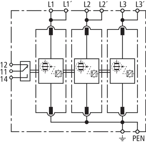
货号 956305 DV M2 TNC 255 FM
全球贸易项目代码 4013364510586, 海关HS编码: 853630, 总重: 519.19 g, 包装单位: 1.00 件
前代产品技术参数
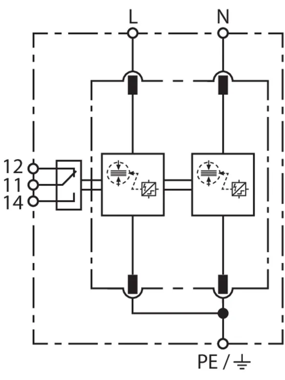
| SPD依据EN 61643-11/ IEC 61643-11 | 1级+2级+3级 / I级+II级+III级 |
| 雷电冲击电流 (10/350 µs) [L1+L2+L3-PEN] (Itotal ) | 75 kA |
| 雷电冲击电流 (10/350 μs) [L-PEN] (Iimp ) | 25 kA |
| 电压保护水平 (UP ) | ≤ 1.5 kV |
| IK = 50 kArms, 最大后备熔丝 (L) | 250 A gG |
| 认证 | VDE, KEMA, UL |
| 遥信触点类型 | 浮动切换触点 |
| 高级技术数据: | 在预期短路电流大于 50 kA 的开关设备中使用rms |
| - 最大预期短路电流 | 100 kArms (220 kApeak) |
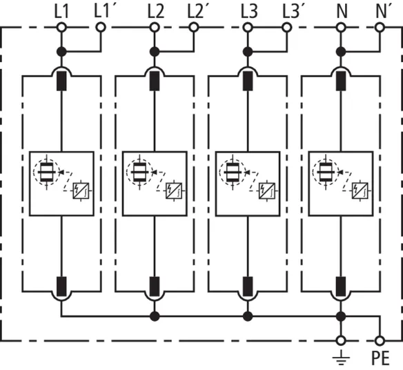
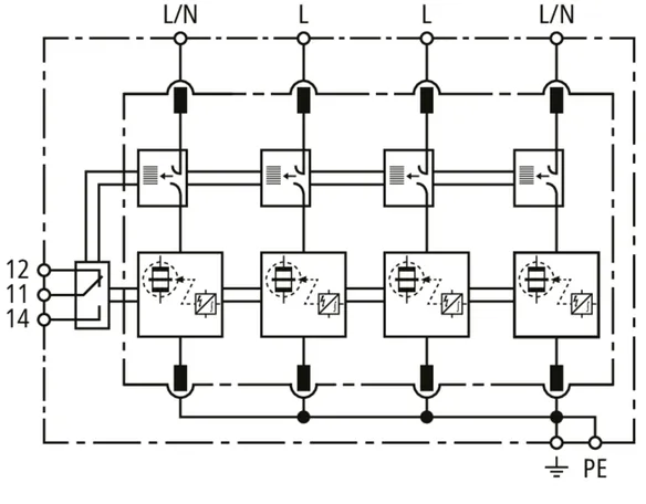
货号 956405 DV M2 TNS 255 FM
全球贸易项目代码 4013364510562, 海关HS编码: 853630, 总重: 583.68 g, 包装单位: 1.00 件
前代产品技术参数
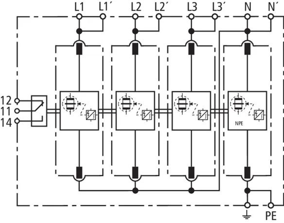
| SPD依据EN 61643-11/ IEC 61643-11 | 1级+2级+3级 / I级+II级+III级 |
| 雷电冲击电流 (10/350 µs) [L1+L2+L3+N-PE] (Itotal ) | 100 kA |
| 雷电冲击电流 (10/350 μs) [L,N-PE] (Iimp ) | 25 kA |
| 电压保护水平 [L-PE]/[N-PE] (UP ) | ≤ 1.5 / ≤ 1.5 kV |
| IK = 50 kArms, 最大后备熔丝 (L) | 250 A gG |
| 认证 | VDE, KEMA, UL |
| 遥信触点类型 | 浮动切换触点 |
| 高级技术数据: | 在预期短路电流大于 50 kArms 的开关设备中使用 |
| - 最大预期短路电流 | 100 kArms (220 kApeak) |
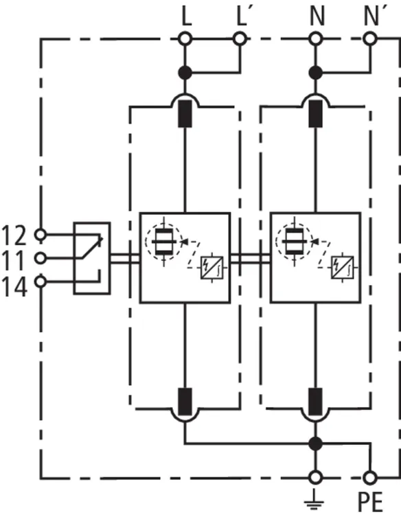
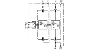
货号 956315 DV M2 TT 255 FM
全球贸易项目代码 4013364528963, 海关HS编码: 853630, 总重: 616.00 g, 包装单位: 1.00 件
技术参数
| SPD依据EN 61643-11/ IEC 61643-11 | 1级+2级+3级 / I级+II级+III级 |
| 雷电冲击电流 (10/350 µs) [L1+L2+L3+N-PE] (Itotal ) | 100 kA |
| 雷电冲击电流 (10/350 μs) [L-N]/[N-PE] (Iimp ) | 25 / 100 kA |
| 电压保护水平 [L-N]/[N-PE] (UP ) | ≤ 1.5 / ≤ 1.5 kV |
| IK = 50 kArms, 最大后备熔丝 (L) | 250 A gG |
| 认证 | VDE, KEMA, UL |
| 遥信触点类型 | 浮动切换触点 |
| 高级技术数据: | 在预期短路电流大于 50 kArms 的开关设备中使用 |
| - 最大预期短路电流 | 100 kArms (220 kApeak) |
| 补充说明: | --------------------------------- |
| – 电压保护水平 [L-PE] (UP ) | 1.8 kV |
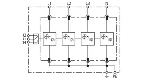
货号 956205 DV M2 TN 255 FM
全球贸易项目代码 4013364510579, 海关HS编码: 853630, 总重: 311.29 g, 包装单位: 1.00 件
前代产品技术参数
| SPD依据EN 61643-11/ IEC 61643-11 | 1级+2级+3级 / I级+II级+III级 |
| 雷电冲击电流 (10/350 µs) [L+N-PE] (Itotal ) | 50 kA |
| 雷电冲击电流 (10/350 μs) [L,N-PE] (Iimp ) | 25 kA |
| 电压保护水平 [L-PE]/[N-PE] (UP ) | ≤ 1.5 / ≤ 1.5 kV |
| IK = 50 kArms, 最大后备熔丝 (L) | 250 A gG |
| 认证 | VDE, KEMA, UL |
| 遥信触点类型 | 浮动切换触点 |
| 高级技术数据: | 在预期短路电流大于 50 kArms 的开关设备中使用 |
| - 最大预期短路电流 | 100 kArms (220 kApeak) |
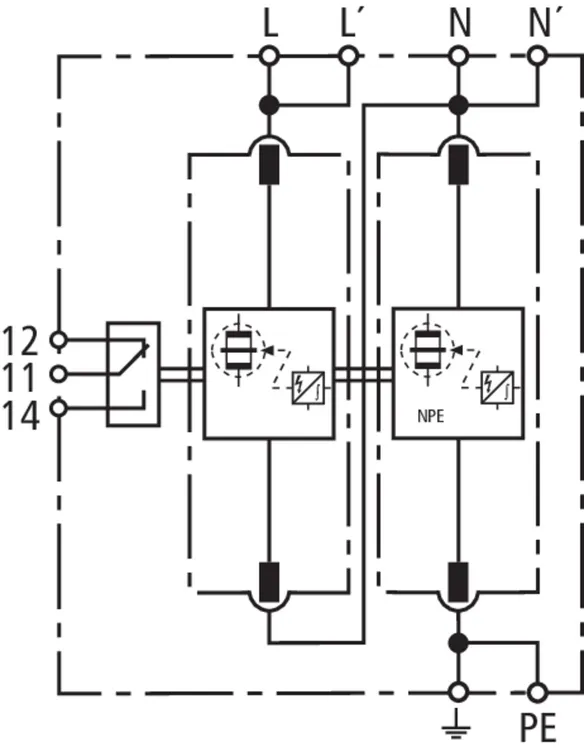
货号 956115 DV M2 TT 2P 255 FM
全球贸易项目代码 4013364546929, 海关HS编码: 853630, 总重: 327.00 g, 包装单位: 1.00 件
技术参数
| SPD依据EN 61643-11/ IEC 61643-11 | 1级+2级+3级 / I级+II级+III级 |
| 雷电冲击电流 (10/350 µs) [L+N-PE] (Itotal ) | 50 kA |
| 雷电冲击电流 (10/350 μs) [L-N]/[N-PE] (Iimp ) | 25 / 50 kA |
| 电压保护水平 [L-N]/[N-PE] (UP ) | ≤ 1.5 / ≤ 1.5 kV |
| IK = 50 kArms, 最大后备熔丝 (L) | 250 A gG |
| 认证 | VDE, KEMA, UL |
| 遥信触点类型 | 浮动切换触点 |
| 高级技术数据: | 在预期短路电流大于 50 kArms 的开关设备中使用 |
| - 最大预期短路电流 | 100 kArms (220 kApeak) |
| 补充说明: | --------------------------------- |
| – 电压保护水平 [L-PE] (UP ) | 1.8 kV |
货号 961151 DV M2 880 FM
全球贸易项目代码 4013364532557, 海关HS编码: 853630, 总重: 1.07 kg, 包装单位: 1.00 件
技术参数
| SPD依据EN 61643-11/ IEC 61643-11 | 1 型 + 2 型 / I 级 + II 级 |
| 雷电冲击电流 (10/350 µs) [1,2-3] (Iimp ) | 12.5 kA |
| IK = 50 kArms, 最大后备熔丝 (L) | 160 A gG |
| 遥信触点类型 | 是 / 浮动切换触点 |
| 补充说明: | --------------------------------- |
| – 抗 PID 电压 (U1-3 + UPID ) | 508 V交流电 + 750 VDC – 耐受 |
货号 961305 DV ACI M TNC 264 FM
全球贸易项目代码 4013364513440, 海关HS编码: 853630, 总重: 2.85 kg, 包装单位: 1.00 件
技术参数
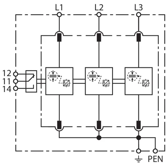
| 电涌保护器符合 EN 61643-11 / IEC 61643-11 标准 | 类型 1 + 类型 2 + 类型 3 / I 类 + II 类 + III 类 |
| 雷电冲击电流 (10/350 µs) [L1+L2+L3-PEN] (Itotal ) | 75 kA |
| 雷电冲击电流 (10/350 μs) [L-PEN] (Iimp ) | 25 kA |
| 电压保护水平 (UP ) | ≤ 1,5 kV |
| 高级技术数据: | 在预期短路电流大于 50 kArms 的开关设备中使用 |
| - 最大预期短路电流 | 100 kAeff (220 kApeak) |
货号 961405 DV ACI M TNS 264 FM
全球贸易项目代码 4013364513365, 海关HS编码: 853630, 总重: 3.20 kg, 包装单位: 1.00 件
技术参数
| 电涌保护器符合 EN 61643-11 / IEC 61643-11 标准 | 类型 1 + 类型 2 + 类型 3 / I 类 + II 类 + III 类 |
| 雷电冲击电流 (10/350 µs) [L1+L2+L3+N-PE] (Itotal ) | 100 kA |
| 雷电冲击电流 (10/350 μs) [L,N-PE] (Iimp ) | 25 kA |
| 电压保护水平 [L-PE]/[N-PE] (UP ) | ≤ 1,5 kV kV |
| 高级技术数据: | 在预期短路电流大于 50 kArms 的开关设备中使用 |
| - 最大预期短路电流 | 100 kAeff (220 kApeak) |
货号 951300 DV M TNC 255
全球贸易项目代码 4013364108134, 海关HS编码: 853630, 总重: 1004.00 g, 包装单位: 1.00 件
前代产品技术参数
| SPD依据EN 61643-11/ IEC 61643-11 | 1级+2级 / I级+II级 |
| 雷电冲击电流 (10/350 µs) [L1+L2+L3-PEN] (Itotal ) | 75 kA |
| 雷电冲击电流 (10/350 μs) [L-PEN] (Iimp ) | 25 kA |
| 电压保护水平 (UP ) | ≤ 1.5 kV |
| IK = 50 kArms, 最大后备熔丝 (L) | 315 A gG |
| 认证 | KEMA, VDE, UL |
| 高级技术数据: | 在预期短路电流大于 50 kArms 的开关设备中使用 |
| - 最大预期短路电流 | 100 kArms (220 kApeak) |
| 用于预期短路电流大于50 kArms的配电设备(经过VDE测试) | |
货号 951305 DV M TNC 255 FM
全球贸易项目代码 4013364108141, 海关HS编码: 853630, 总重: 1020.00 g, 包装单位: 1.00 件
前代产品技术参数
| SPD依据EN 61643-11/ IEC 61643-11 | 1级+2级 / I级+II级 |
| 雷电冲击电流 (10/350 µs) [L1+L2+L3-PEN] (Itotal ) | 75 kA |
| 雷电冲击电流 (10/350 μs) [L-PEN] (Iimp ) | 25 kA |
| 电压保护水平 (UP ) | ≤ 1.5 kV |
| IK = 50 kArms, 最大后备熔丝 (L) | 315 A gG |
| 认证 | KEMA, VDE, UL |
| 遥信触点类型 | 浮动切换触点 |
| 高级技术数据: | 在预期短路电流大于 50 kArms 的开关设备中使用 |
| - 最大预期短路电流 | 100 kArms (220 kApeak) |
| 用于预期短路电流大于50 kArms的配电设备(经过VDE测试) | |
货号 951400 DV M TNS 255
全球贸易项目代码 4013364108158, 海关HS编码: 853630, 总重: 1.40 kg, 包装单位: 1.00 件
前代产品技术参数
| SPD依据EN 61643-11/ IEC 61643-11 | 1级+2级 / I级+II级 |
| 雷电冲击电流 (10/350 µs) [L1+L2+L3+N-PE] (Itotal ) | 100 kA |
| 雷电冲击电流 (10/350 μs) [L,N-PE] (Iimp ) | 25 kA |
| 电压保护水平 [L-PE]/[N-PE] (UP ) | ≤ 1.5 / ≤ 1.5 kV |
| IK = 50 kArms, 最大后备熔丝 (L) | 315 A gG |
| 认证 | KEMA, VDE, UL |
| 高级技术数据: | 在预期短路电流大于 50 kArms 的开关设备中使用 |
| - 最大预期短路电流 | 100 kArms (220 kApeak) |
货号 951405 DV M TNS 255 FM
全球贸易项目代码 4013364108165, 海关HS编码: 853630, 总重: 1.40 kg, 包装单位: 1.00 件
前代产品技术参数
| SPD依据EN 61643-11/ IEC 61643-11 | 1级+2级 / I级+II级 |
| 雷电冲击电流 (10/350 µs) [L1+L2+L3+N-PE] (Itotal ) | 100 kA |
| 雷电冲击电流 (10/350 μs) [L,N-PE] (Iimp ) | 25 kA |
| 电压保护水平 [L-PE]/[N-PE] (UP ) | ≤ 1.5 / ≤ 1.5 kV |
| IK = 50 kArms, 最大后备熔丝 (L) | 315 A gG |
| 认证 | KEMA, VDE, UL |
| 遥信触点类型 | 浮动切换触点 |
| 高级技术数据: | 在预期短路电流大于 50 kArms 的开关设备中使用 |
| - 最大预期短路电流 | 100 kArms (220 kApeak) |
货号 951310 DV M TT 255
全球贸易项目代码 4013364108172, 海关HS编码: 853630, 总重: 1.31 kg, 包装单位: 1.00 件
前代产品技术参数
| SPD依据EN 61643-11/ IEC 61643-11 | 1级+2级 / I级+II级 |
| 雷电冲击电流 (10/350 µs) [L1+L2+L3+N-PE] (Itotal ) | 100 kA |
| 雷电冲击电流 (10/350 μs) [L-N]/[N-PE] (Iimp ) | 25 / 100 kA |
| 电压保护水平 [L-N]/[N-PE] (UP ) | ≤ 1.5 / ≤ 1.5 kV |
| IK = 50 kArms, 最大后备熔丝 (L) | 315 A gG |
| 认证 | KEMA, VDE, UL |
| 高级技术数据: | 在预期短路电流大于 50 kArms 的开关设备中使用 |
| - 最大预期短路电流 | 100 kArms (220 kApeak) |
| 补充说明: | --------------------------------- |
| – 电压保护水平 [L-PE] (UP ) | 2.2 kV |
货号 951315 DV M TT 255 FM
全球贸易项目代码 4013364108189, 海关HS编码: 853630, 总重: 1.32 kg, 包装单位: 1.00 件
前代产品技术参数
| SPD依据EN 61643-11/ IEC 61643-11 | 1级+2级 / I级+II级 |
| 雷电冲击电流 (10/350 µs) [L1+L2+L3+N-PE] (Itotal ) | 100 kA |
| 雷电冲击电流 (10/350 μs) [L-N]/[N-PE] (Iimp ) | 25 / 100 kA |
| 电压保护水平 [L-N]/[N-PE] (UP ) | ≤ 1.5 / ≤ 1.5 kV |
| IK = 50 kArms, 最大后备熔丝 (L) | 315 A gG |
| 认证 | KEMA, VDE, UL |
| 遥信触点类型 | 浮动切换触点 |
| 高级技术数据: | 在预期短路电流大于 50 kArms 的开关设备中使用 |
| - 最大预期短路电流 | 100 kArms (220 kApeak) |
| 补充说明: | --------------------------------- |
| – 电压保护水平 [L-PE] (UP ) | 2.2 kV |
货号 951200 DV M TN 255
全球贸易项目代码 4013364108097, 海关HS编码: 853630, 总重: 754.00 g, 包装单位: 1.00 件
前代产品技术参数
| SPD依据EN 61643-11/ IEC 61643-11 | 1级+2级 / I级+II级 |
| 雷电冲击电流 (10/350 µs) [L+N-PE] (Itotal ) | 50 kA |
| 雷电冲击电流 (10/350 μs) [L,N-PE] (Iimp ) | 25 kA |
| 电压保护水平 [L-PE]/[N-PE] (UP ) | ≤ 1.5 / ≤ 1.5 kV |
| IK = 50 kArms, 最大后备熔丝 (L) | 315 A gG |
| 认证 | KEMA, VDE, UL |
| 高级技术数据: | 在预期短路电流大于 50 kArms 的开关设备中使用 |
| - 最大预期短路电流 | 100 kArms (220 kApeak) |
货号 951205 DV M TN 255 FM
全球贸易项目代码 4013364108103, 海关HS编码: 853630, 总重: 698.50 g, 包装单位: 1.00 件
前代产品技术参数
| SPD依据EN 61643-11/ IEC 61643-11 | 1级+2级 / I级+II级 |
| 雷电冲击电流 (10/350 µs) [L+N-PE] (Itotal ) | 50 kA |
| 雷电冲击电流 (10/350 μs) [L,N-PE] (Iimp ) | 25 kA |
| 电压保护水平 [L-PE]/[N-PE] (UP ) | ≤ 1.5 / ≤ 1.5 kV |
| IK = 50 kArms, 最大后备熔丝 (L) | 315 A gG |
| 认证 | KEMA, VDE, UL |
| 遥信触点类型 | 浮动切换触点 |
| 高级技术数据: | 在预期短路电流大于 50 kArms 的开关设备中使用 |
| - 最大预期短路电流 | 100 kArms (220 kApeak) |
货号 951110 DV M TT 2P 255
全球贸易项目代码 4013364108110, 海关HS编码: 853630, 总重: 688.59 g, 包装单位: 1.00 件
前代产品技术参数
| SPD依据EN 61643-11/ IEC 61643-11 | 1级+2级 / I级+II级 |
| 雷电冲击电流 (10/350 µs) [L+N-PE] (Itotal ) | 50 kA |
| 雷电冲击电流 (10/350 μs) [L-N]/[N-PE] (Iimp ) | 25 / 50 kA |
| 电压保护水平 [L-N]/[N-PE] (UP ) | ≤ 1.5 / ≤ 1.5 kV |
| IK = 50 kArms, 最大后备熔丝 (L) | 315 A gG |
| 认证 | KEMA, VDE, UL |
| 高级技术数据: | 在预期短路电流大于 50 kArms 的开关设备中使用 |
| - 最大预期短路电流 | 100 kArms (220 kApeak) |
| 补充说明: | --------------------------------- |
| – 电压保护水平 [L-PE] (UP ) | 2.2 kV |
货号 951115 DV M TT 2P 255 FM
全球贸易项目代码 4013364108127, 海关HS编码: 853630, 总重: 694.38 g, 包装单位: 1.00 件
前代产品技术参数
| SPD依据EN 61643-11/ IEC 61643-11 | 1级+2级 / I级+II级 |
| 雷电冲击电流 (10/350 µs) [L+N-PE] (Itotal ) | 50 kA |
| 雷电冲击电流 (10/350 μs) [L-N]/[N-PE] (Iimp ) | 25 / 50 kA |
| 电压保护水平 [L-N]/[N-PE] (UP ) | ≤ 1.5 / ≤ 1.5 kV |
| IK = 50 kArms, 最大后备熔丝 (L) | 315 A gG |
| 认证 | KEMA, VDE, UL |
| 遥信触点类型 | 浮动切换触点 |
| 高级技术数据: | 在预期短路电流大于 50 kArms 的开关设备中使用 |
| - 最大预期短路电流 | 100 kArms (220 kApeak) |
| 补充说明: | --------------------------------- |
| – 电压保护水平 [L-PE] (UP ) | 2.2 kV |
