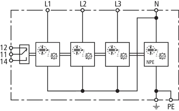
DEHNvap

  • 预接线的1级+2级火花间隙型复合雷电流电涌保护器,由底座和可插拔整体式保护模块组成
  • RAC 和RADAX Flow火花间隙技术,具备续流遮断功能,满足系统高可靠性要求
  • 放电能力高达100 kA (10/350 μs)
  • 短路电流至25 kArms时,32 A gG 熔丝不会误动作
  • 可保护终端设备(10米内)
  • 通过视窗显示的绿色或者红色标志来指示工作状态/故障状态
  • 根据通讯系统的特定要求定制不同的产品

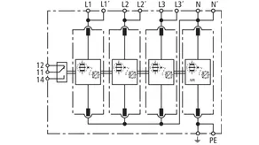
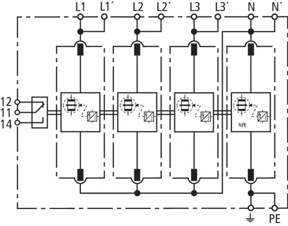
DVA M NG 3P 100 FM

1 产品

货号 900352 DVA M NG 3P 100 FM

全球贸易项目代码 4013364455931, 海关HS编码: 853630, 总重: 598.33 g, 包装单位: 1.00


图片

附加信息



制造商: DEHN
型号: DVA M NG 3P 100 FM
货号: 900352
其他类似产品

认证

 

技术参数

SPD依据 EN 61643-11 / ... IEC 61643-11 1级+2级 / I级+II级
交流最大持续工作电压 [L-N]/[N-PE] (Uc) 255 V (50 / 60 Hz)
雷电冲击电流 (10/350 μs) [L1+L2+L3+N-PE] (Itotal ) 100 kA
雷电冲击电流 (10/350 μs) [L-N]/[N-PE] (Iimp ) 25 / 100 kA
标称放电电流(8/20 μs) [L-N]/[N-PE] (In ) 25 / 100 kA
电压保护水平 [L-N]/[N-PE] (UP ) ≤ 1.5 / ≤ 1.5 kV
认证 KEMA, UL
遥信触点类型 浮动切换触点

.产品已加入收藏夹。

商品900352加入购物车。


DVA M NG 1P 50 FM

1 产品

货号 900351 DVA M NG 1P 50 FM

全球贸易项目代码 4013364455948, 海关HS编码: 853630, 总重: 320.37 g, 包装单位: 1.00


图片

附加信息



制造商: DEHN
型号: DVA M NG 1P 50 FM
货号: 900351
其他类似产品

认证

 

技术参数

SPD依据 EN 61643-11 / ... IEC 61643-11 1级+2级 / I级+II级
交流最大持续工作电压 [L-N]/[N-PE] (Uc) 255 V (50 / 60 Hz)
雷电冲击电流 (10/350 μs) [L-N]/[N-PE] (Iimp ) 25 / 50 kA
雷电冲击电流 (10/350 μs) [L+N-PE] (Itotal ) 50 kA
标称放电电流(8/20 μs) [L-N]/[N-PE] (In ) 25 / 50 kA
电压保护水平 [L-N]/[N-PE] (UP ) ≤ 1.5 / ≤ 1.5 kV
认证 KEMA, UL
遥信触点类型 浮动切换触点

.产品已加入收藏夹。

商品900351加入购物车。


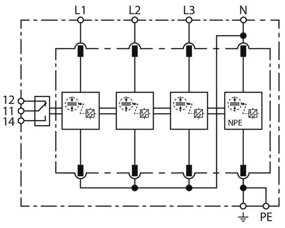
DVA CSP 3P 100 FM

1 产品

货号 900360 DVA CSP 3P 100 FM

全球贸易项目代码 4013364111332, 海关HS编码: 853630, 总重: 1.34 kg, 包装单位: 1.00


图片

附加信息



制造商: DEHN
型号: DVA CSP 3P 100 FM
货号: 900360
其他类似产品

认证

 

技术参数

SPD依据 EN 61643-11 / ... IEC 61643-11 1级+2级 / I级+II级
交流最大持续工作电压 [L-N]/[N-PE] (Uc) 264 V (50 / 60 Hz)
交流最大持续工作电压 [N-PE] (UC (N-PE) ) 255 V (50 / 60 Hz)
雷电冲击电流 (10/350 μs) [L1+L2+L3+N-PE] (Itotal ) 100 kA
雷电冲击电流 (10/350 μs) [L-N]/[N-PE] (Iimp ) 25 / 100 kA
标称放电电流 (8/20 μs) (In ) 25 / 100 kA
电压保护水平 [L-N]/[N-PE] (UP ) ≤ 1.5 kV / ≤ 1.5 kV
认证 KEMA
遥信触点类型 浮动切换触点

.产品已加入收藏夹。

商品900360加入购物车。


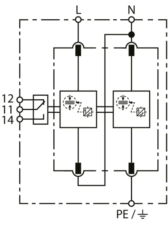
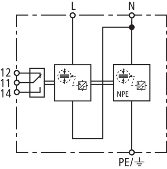
DVA CSP 3P 100 S FM

1 产品

货号 900367 DVA CSP 3P 100 S FM

全球贸易项目代码 4013364322288, 海关HS编码: 853630, 总重: 529.00 g, 包装单位: 1.00


图片

附加信息

复合型雷电流电涌保护器 DEHNvap CSP 3P 100 S FMTT 255 FM
4 极复合雷电流电涌保护器,用于 230/400 V TT 和 TN (C) S 系统,
4 个模组,具备遥信功能
符合 EN 61643-11 标准的 1 型 + 2 型电涌保护器
适用于紧凑和简单电气安装环境
火花间隙技术,并有续流抑制能力
故障指示
最大持续工作电压:255 V AC
电压保护水平:<= 1.5 kV
雷电冲击电流 (10/350 µs):25 kA
根据 DIN EN 62305-4 进行能源协调。
Red/Line 系列电涌保护器,可直接用于终端设备

制造商: DEHN
型号: DVA CSP 3P 100 S FM
货号: 900367
其他类似产品

认证

 

技术参数

SPD依据 EN 61643-11 / ... IEC 61643-11 1级+2级 / I级+II级
交流最大持续工作电压 [L-N]/[N-PE] (Uc) 255 V (50 / 60 Hz)
雷电冲击电流 (10/350 μs) [L-N]/[N-PE] (Iimp ) 25 / 100 kA
标称放电电流 (8/20 μs) (In ) 25 / 100 kA
电压保护水平 [L-N]/[N-PE] (UP ) ≤ 1.5 kV / ≤ 1.5 kV
认证 KEMA
遥信触点类型 浮动切换触点

.产品已加入收藏夹。

商品900367加入购物车。


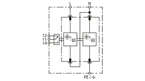
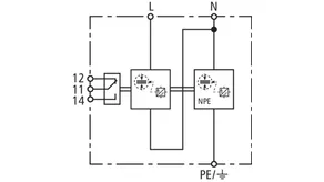
DVA CSP 1P 50 S FM

1 产品

货号 900366 DVA CSP 1P 50 S FM

全球贸易项目代码 4013364374669, 海关HS编码: 853630, 总重: 265.52 g, 包装单位: 1.00


图片

附加信息

复合雷电流电涌保护器 DEHNvap CSP 1P 50 S FM
用于 230/400 V TT 系统的二极复合型雷电流电涌保护器
符合 EN 61643-11 标准的 1 型 + 2 型电涌保护器
2 个模组,具备遥信功能
适用于紧凑和简单电气安装环境
火花间隙技术,并有续流抑制能力
故障指示
最大持续工作电压:255 V AC
电压保护水平:<= 1.5 kV
雷电冲击电流 (10/350 µs):25 kA
根据 DIN EN 62305-4 进行能源协调。
Red/Line 系列电涌保护器,可直接用于终端设备

制造商: DEHN
型号: DVA CSP 1P 50 S FM
货号: 900366
其他类似产品

认证

 

技术参数

SPD依据 EN 61643-11 / ... IEC 61643-11 1级+2级 / I级+II级
交流最大持续工作电压 [L-N]/[N-PE] (Uc) 255 V (50 / 60 Hz)
雷电冲击电流 (10/350 μs) [L-N]/[N-PE] (Iimp ) 25 / 50 kA
标称放电电流 (8/20 μs) (In ) 25 / 50 kA
电压保护水平 [L-N]/[N-PE] (UP ) ≤ 1.5 kV / ≤ 1.5 kV
认证 KEMA
遥信触点类型 浮动切换触点

.产品已加入收藏夹。

商品900366加入购物车。


返回顶部