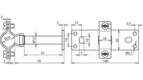
引下线夹持件,用于HVI引下线,适用于危险区域

潜在爆炸性环境设施的运营人员有责任根据不同的危险区域对这些设施进行指定。对于这些设施来说,雷电是一种潜在的点火源。国家标准也对危险区域进行了说明。

用于安装在爆炸危险区域Ex 1区(气体,蒸汽,薄雾),Ex 21区(粉尘)的HVI引下线。特殊的安装方式,可以确保当雷电流通过HVI引下线时,不会对邻近金属部件产生电火花。

详情

图例 - 通过夹持件安装在Ex 1区和Ex 21区
lorem ipsum
lorem ipsum
lorem ipsum

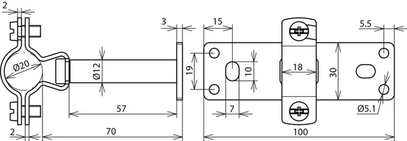
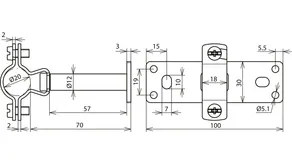
引下线夹持件 HVI Ex W70

用于固定在危险区域Ex 1区和Ex 21区的金属结构件上(外立面)。

1 产品

货号 275440 LH ZS 20 EX W70 BP V2A

全球贸易项目代码 4013364146914, 海关HS编码: 853890, 总重: 164.60 g, 包装单位: 10.00

前代产品

图片

附加信息

引下线夹持件,用于HVI引下线,适用于危险区域,Ex W70,不锈钢
带间隔器(70 mm)
用于固定在危险区域Ex 1区和Ex 21区的金属结构件上(外立面)

夹持圆导体直径: 20 mm
固定孔径: [4x] Ø5.1 / [2x] 7 x 10 mm
测试标准: DIN IEC/TS 62561-8 (VDE V 0185-561-8)

制造商: DEHN
型号: LH ZS 20 EX W70 BP V2A
货号: 275440
其他类似产品

认证

 

技术参数

材料 不锈钢 StSt
夹持圆导体直径 20 mm
墙面间距 70 mm
固定孔径 [4x] Ø5.1 / [2x] 7 x 10 mm
测试标准 DIN IEC/TS 62561-8 (VDE V 0185-561-8)

.产品已加入收藏夹。

商品275440加入购物车。


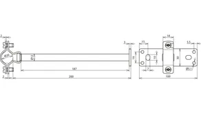
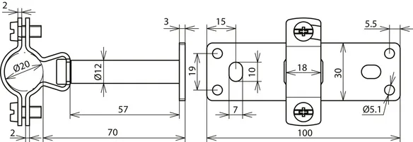
引下线夹持件 HVI Ex W200

用于固定在危险区域Ex 1区和Ex 21区的金属结构件上(外立面)。

1 产品

货号 275441 LH ZS 20 EX W200 BP V2A

全球贸易项目代码 4013364146921, 海关HS编码: 853890, 总重: 255.60 g, 包装单位: 10.00


图片

附加信息

引下线夹持件,用于HVI引下线,适用于危险区域,Ex W200,不锈钢
带间隔器(200 mm)
用于固定在危险区域Ex 1区和Ex 21区的金属结构件上(外立面)
夹持圆导体直径: 20 mm
固定孔径: [4x] Ø5.1 / [2x] 7 x 10 mm
测试标准: DIN IEC/TS 62561-8 (VDE V 0185-561-8)

制造商: DEHN
型号: LH ZS 20 EX W200 BP V2A
货号: 275441
其他类似产品

认证

 

技术参数

材料 不锈钢 StSt
夹持圆导体直径 20 mm
墙面间距 200 mm
固定孔径 [4x] Ø5.1 / [2x] 7 x 10 mm
测试标准 DIN IEC/TS 62561-8 (VDE V 0185-561-8)

.产品已加入收藏夹。

商品275441加入购物车。


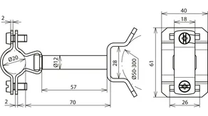
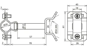
引下线夹持件 HVI Ex P70

用于固定在危险区域Ex 1区和Ex 21区的管道上,需配合管夹使用(货号:106 323)。

1 产品

货号 275444 LH ZS 20 EX P70 SBB V2A

全球贸易项目代码 4013364244252, 海关HS编码: 853890, 总重: 173.20 g, 包装单位: 10.00


图片

附加信息

引下线夹持件,用于HVI引下线,适用于危险区域,Ex P70,不锈钢
带间隔器(70 mm)
用于固定在危险区域Ex 1区和Ex 21区的管道上
需配合管夹使用(货号:106 323)
夹持圆导体直径: 20 mm
夹持范围 支撑管: 50-300 mm
测试标准: DIN IEC/TS 62561-8 (VDE V 0185-561-8)

制造商: DEHN
型号: LH ZS 20 EX P70 SBB V2A
货号: 275444
其他类似产品

认证

 

技术参数

材料 不锈钢 StSt
夹持圆导体直径 20 mm
墙面间距 70 mm
夹持范围 支撑管 50-300 mm
测试标准 DIN IEC/TS 62561-8 (VDE V 0185-561-8)

.产品已加入收藏夹。

商品275444加入购物车。


引下线夹持件 HVI Ex P200

用于固定在危险区域Ex 1区和Ex 21区的管道上,需配合管夹使用(货号:106 323)。

1 产品

货号 275442 LH ZS 20 EX P200 SBB V2A

全球贸易项目代码 4013364146938, 海关HS编码: 853890, 总重: 264.00 g, 包装单位: 10.00

前代产品

图片

附加信息

引下线夹持件,用于HVI引下线,适用于危险区域,Ex P200,不锈钢
带间隔器(200 mm)
用于固定在危险区域Ex 1区和Ex 21区的管道上
需配合管夹使用(货号:106 323)
夹持圆导体直径: 20 mm
夹持范围 支撑管: 50-300 mm
测试标准: DIN IEC/TS 62561-8 (VDE V 0185-561-8)

制造商: DEHN
型号: LH ZS 20 EX P200 SBB V2A
货号: 275442
其他类似产品

认证

 

技术参数

材料 不锈钢 StSt
夹持圆导体直径 20 mm
墙面间距 200 mm
夹持范围 支撑管 50-300 mm
测试标准 DIN IEC/TS 62561-8 (VDE V 0185-561-8)

.产品已加入收藏夹。

商品275442加入购物车。


返回顶部