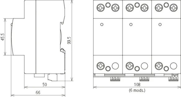
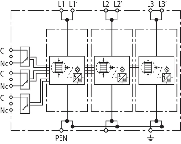
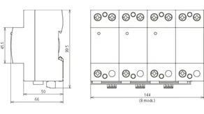
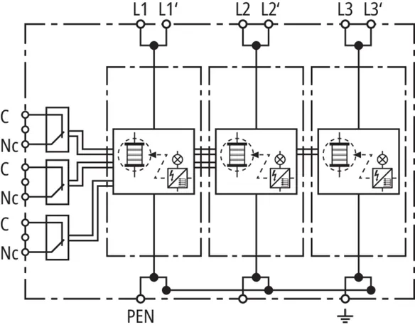
组合式电涌保护器 VT1+2 50

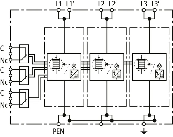
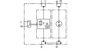
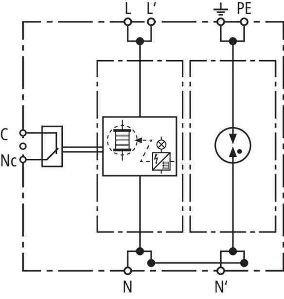
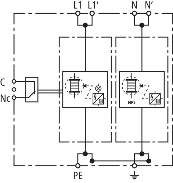
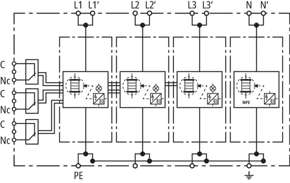
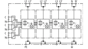
  • 基于火花隙的紧凑型复合型电涌保护器(1 型 + 2 型),由通过汇流排连接的多个电涌保护器组成
  • 火花隙技术特别适用于交流供电系统
  • 50 kA (10/350 µs) 的高雷电流放电能力
  • 低保护电平
  • 通过 LED 开/LED 关显示功能/缺陷
  • 与 DEHN SCB ... 协调

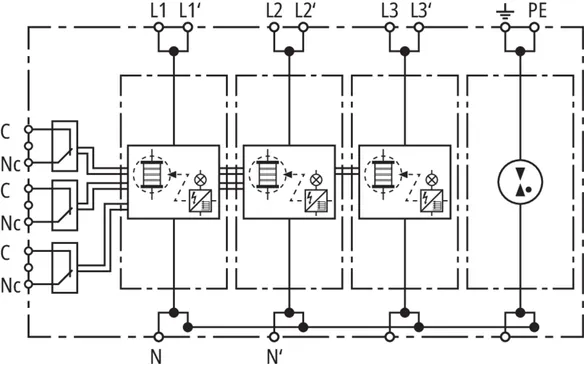
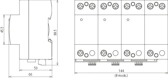
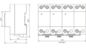
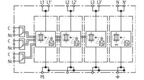
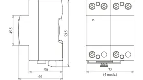
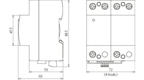
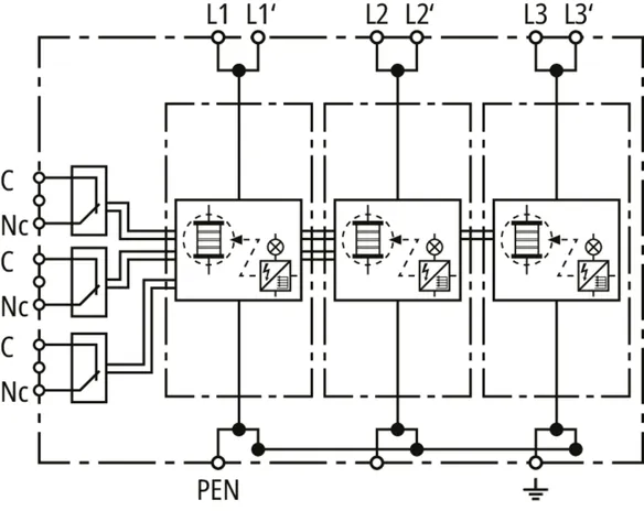
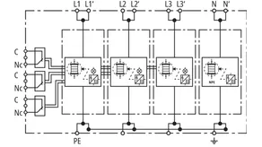
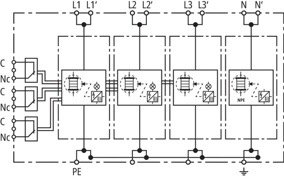
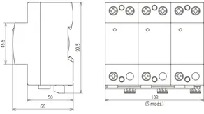
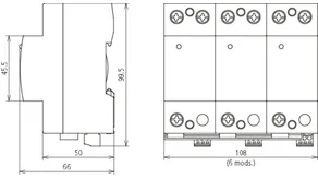
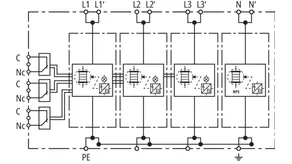
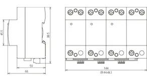
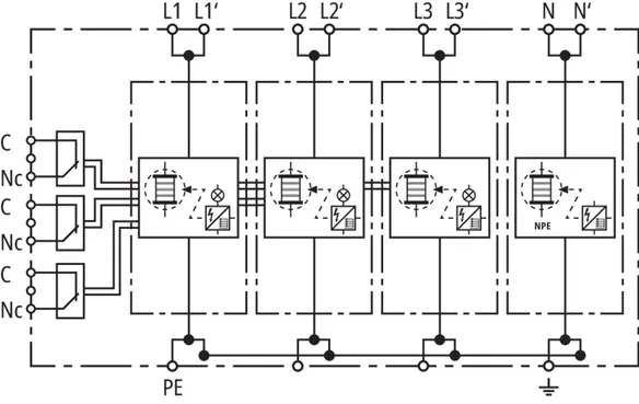
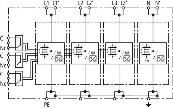
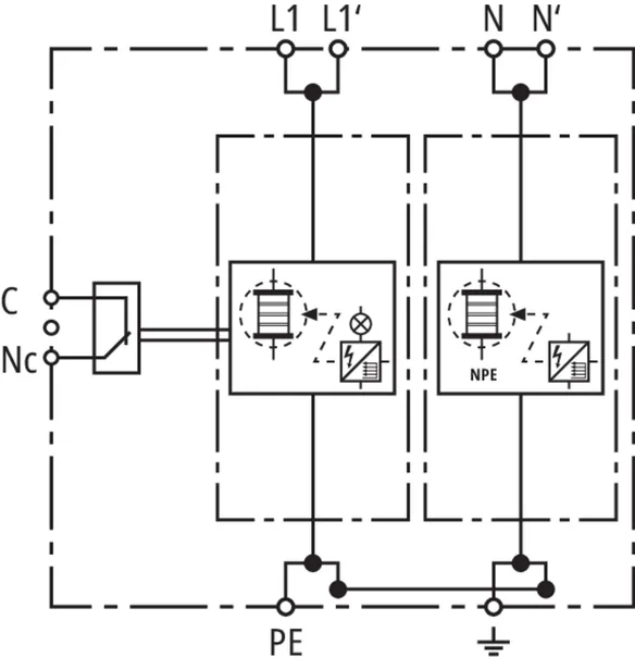
VT1+2 50 TNS ...FM

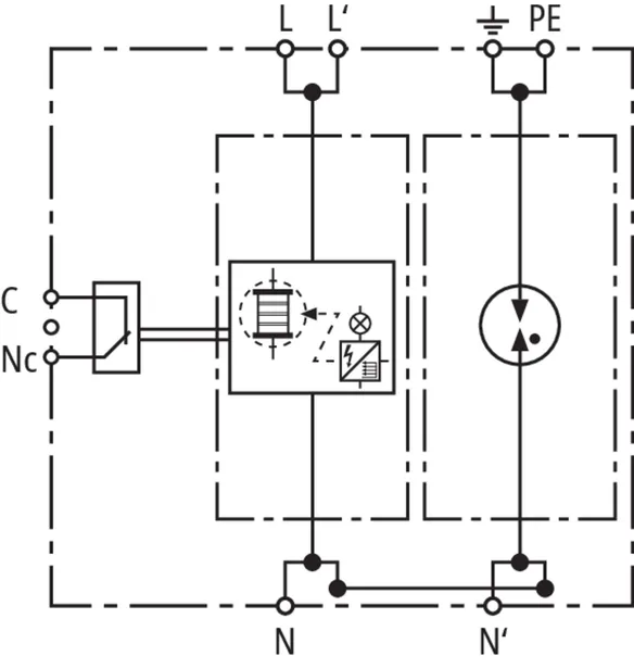
用于 TN-S 系统的紧凑型复合电涌保护器(“4+0”电路);带远程信号触点。

2 产品

货号 955611 VT1+2 50 TNS 275 FM

全球贸易项目代码 6942299508130, 总重: 1.26 kg, 包装单位: 1.00


图片

附加信息

紧凑型复合电涌保护器 VT1+2 TNC 275 CN
4 极复合雷电流电涌保护器包括
多个电涌保护器,通过汇流排连接
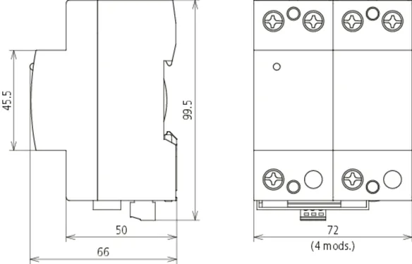
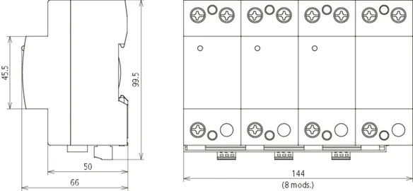
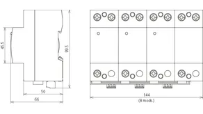
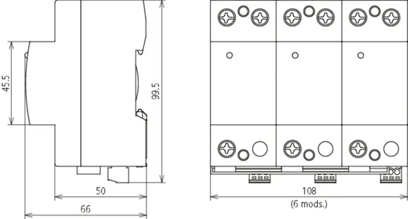
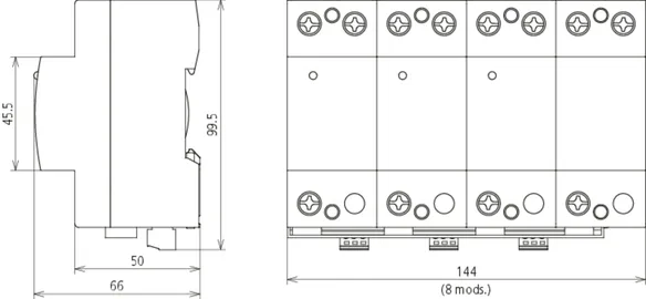
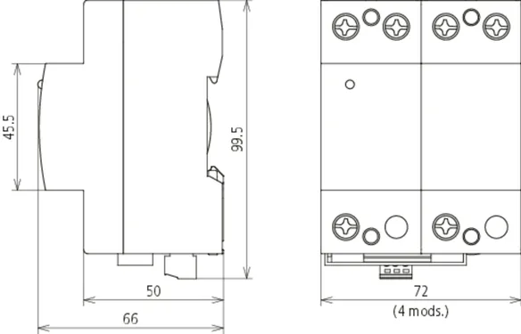
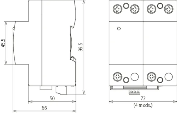
宽度:8 个模组
1 + 2 型电涌保护器符合 GB/T 18802.11 / IEC 61643-11 标准
故障显示,带远程信号触点
最大持续工作电压:275 V AC
保护水平:≤ 1.8 kV
标称放电电流:50 kA
雷电冲击电流 50 kA
短路耐受能力:10 kArms
提供与 DEHN SCB ... 结合使用的测试报告

制造商: DEHN
型号: VT1+2 50 TNS 275 FM
货号: 955611
其他类似产品

 

技术参数

电涌保护器符合 GB/T 18802.11 / IEC 61643-11 标准 类型 1+2 / 等级 I+II
标称电压 AC (UN ) 230 / 400 V (50 / 60 Hz)
最大持续工作电压 AC (UC ) 275 V (50 / 60 Hz)
标称放电电流 (8/20 µs) (In ) 50 kA
最大放电电流 (8/20 µs) (I最大 ) 100 kA
最大后备熔丝 500 A gG
最大电源端过电流保护下的短路耐受能力 (ISCCR ) 10 kArms

.产品已加入收藏夹。

商品955611加入购物车。

货号 955619 VT1+2 50 TNS 385 FM

全球贸易项目代码 6942299508215, 总重: 1.27 kg, 包装单位: 1.00


图片

附加信息

紧凑型复合电涌保护器 VT1+2 TNC 385 CN
4 极复合雷电流电涌保护器包括
多个电涌保护器,通过汇流排连接
宽度:8 个模组
1 + 2 型电涌保护器符合 GB/T 18802.11 / IEC 61643-11 标准
故障显示,带远程信号触点
最大持续工作电压:385 V AC
保护水平:≤ 2.5 kV
标称放电电流:50 kA
雷电冲击电流 50 kA
短路耐受能力:25 kArms
提供与 DEHN SCB ... 结合使用的测试报告

制造商: DEHN
型号: VT1+2 50 TNS 385 FM
货号: 955619
其他类似产品

 

技术参数

电涌保护器符合 GB/T 18802.11 / IEC 61643-11 标准 类型 1+2 / 等级 I+II
标称电压 AC (UN ) 230 / 400 V (50 / 60 Hz)
最大持续工作电压 AC (UC ) 385 V (50 / 60 Hz)
标称放电电流 (8/20 µs) (In ) 50 kA
最大放电电流 (8/20 µs) (I最大 ) 100 kA
最大后备熔丝 500 A gG
最大电源端过电流保护下的短路耐受能力 (ISCCR ) 10 kArms

.产品已加入收藏夹。

商品955619加入购物车。


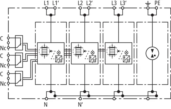
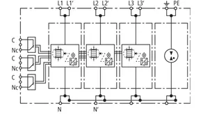
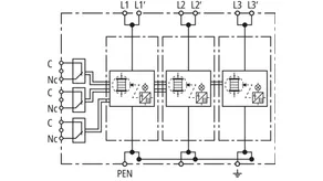
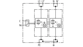
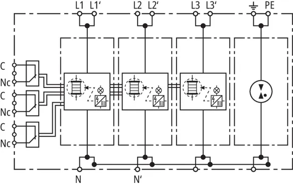
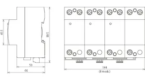
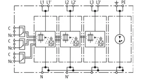
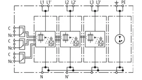
VT1+2 50 TT ...FM

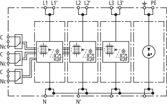
适用于 TT 和 TN-S 系统(“3+1”电路)的紧凑型复合电涌保护器; 带无电势远程信号触点。

2 产品

货号 955613 VT1+2 50 TT 275 FM

全球贸易项目代码 6942299508154, 总重: 1.15 kg, 包装单位: 1.00


图片

附加信息

紧凑型复合电涌保护器 VT1+2 TT 275 CN
4 极复合雷电流电涌保护器包括
多个电涌保护器,通过汇流排连接
宽度:8 个模组
1 + 2 型电涌保护器符合 GB/T 18802.11 / IEC 61643-11 标准
故障显示,带远程信号触点
最大持续工作电压 L-N / N-PE:275 V AC/ 255 V AC
电压保护水平 L-N/N-PE:≤1.8 kV/≤2.2 kV
标称放电电流 L-N / N-PE:50 kA / 100 kA
雷电冲击电流 L-N / N-PE:50 kA / 100 kA
短路耐受能力:10 kArms
提供与 DEHN SCB ... 结合使用的测试报告

制造商: DEHN
型号: VT1+2 50 TT 275 FM
货号: 955613
其他类似产品

 

技术参数

电涌保护器符合 GB/T 18802.11 / IEC 61643-11 标准 类型 1+2 / 等级 I+II
标称电压 AC (UN ) 230 / 400 V (50 / 60 Hz)
最大持续工作电压 AC (UC ) 275 V (50 / 60 Hz)
交流最大持续工作电压 [L-N] (UC ) 275 V (50 / 60 Hz)
交流最大持续工作电压 [N-PE] (UC ) 255 V (50 / 60 Hz)
标称放电电流 (8/20 µs) [L-N] (In ) 50 kA
标称放电电流 (8/20 µs) [N-PE] (In ) 100 kA
最大放电电流 (8/20 µs) [L-N] (I最大 ) 100 kA
最大后备熔丝 500 A gG
最大电源端过电流保护下的短路耐受能力 (ISCCR ) 10 kArms

.产品已加入收藏夹。

商品955613加入购物车。

货号 955621 VT1+2 50 TT 385 FM

全球贸易项目代码 6942299508239, 总重: 1.15 kg, 包装单位: 1.00


图片

附加信息

紧凑型复合电涌保护器 VT1+2 TT 385 CN
4 极复合雷电流电涌保护器包括
多个电涌保护器,通过汇流排连接
宽度:8 个模组
1 + 2 型电涌保护器符合 GB/T 18802.11 / IEC 61643-11 标准
故障显示,带远程信号触点
最大持续工作电压 L-N / N-PE:385 V AC/ 255 V AC
电压保护水平 L-N/N-PE:≤2.5 kV/≤2.2 kV
标称放电电流 L-N / N-PE:50 kA / 100 kA
雷电冲击电流 L-N / N-PE:50 kA / 100 kA
短路耐受能力:25 kArms
提供与 DEHN SCB ... 结合使用的测试报告

制造商: DEHN
型号: VT1+2 50 TT 385 FM
货号: 955621
其他类似产品

 

技术参数

电涌保护器符合 GB/T 18802.11 / IEC 61643-11 标准 类型 1+2 / 等级 I+II
标称电压 AC (UN ) 230 / 400 V (50 / 60 Hz)
最大持续工作电压 AC (UC ) 385 V (50 / 60 Hz)
交流最大持续工作电压 [L-N] (UC ) 385 V (50 / 60 Hz)
交流最大持续工作电压 [N-PE] (UC ) 255 V (50 / 60 Hz)
标称放电电流 (8/20 µs) [L-N] (In ) 50 kA
标称放电电流 (8/20 µs) [N-PE] (In ) 100 kA
最大放电电流 (8/20 µs) [L-N] (I最大 ) 100 kA
最大后备熔丝 500 A gG
最大电源端过电流保护下的短路耐受能力 (ISCCR ) 25 kArms

.产品已加入收藏夹。

商品955621加入购物车。


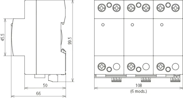
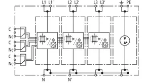
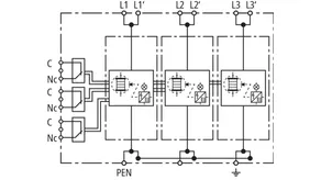
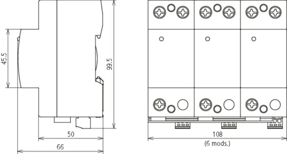
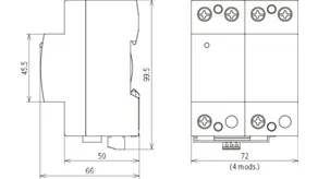
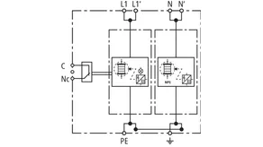
VT1+2 50 TNC ...FM

适用于 TN-C 系统的紧凑型复合电涌保护器(“3+0”电路);带远程信号触点。

2 产品

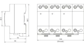
货号 955614 VT1+2 50 TNC 275 FM

全球贸易项目代码 6942299508161, 总重: 965.00 g, 包装单位: 1.00


图片

附加信息

紧凑型复合电涌保护器 VT1+2 TNC 275 CN
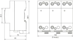
3 极复合雷电流电涌保护器包括
多个电涌保护器,通过汇流排连接
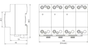
宽度:6 个模组
1 + 2 型电涌保护器符合 GB/T 18802.11 / IEC 61643-11 标准
故障显示,带远程信号触点
最大持续工作电压:275 V AC
保护水平:≤ 1.8 kV
标称放电电流:50 kA
雷电冲击电流 50 kA
短路耐受能力:10 kArms
提供与 DEHN SCB ... 结合使用的测试报告

制造商: DEHN
型号: VT1+2 50 TNC 275 FM
货号: 955614
其他类似产品

 

技术参数

电涌保护器符合 GB/T 18802.11 / IEC 61643-11 标准 1级+2级 / I级+II级
标称电压 AC (UN ) 230 / 400 V (50 / 60 Hz)
最大持续工作电压 AC (UC ) 275 V (50 / 60 Hz)
标称放电电流 (8/20 µs) (In ) 50 kA
最大放电电流 (8/20 µs) (I最大 ) 100 kA
最大后备熔丝 500 A gG
最大电源端过电流保护下的短路耐受能力 (ISCCR ) 10 kArms

.产品已加入收藏夹。

商品955614加入购物车。

货号 955622 VT1+2 50 TNC 385 FM

全球贸易项目代码 6942299508246, 总重: 965.47 g, 包装单位: 1.00


图片

附加信息

紧凑型复合电涌保护器 VT1+2 TNC 385 CN
3 极复合雷电流电涌保护器包括
多个电涌保护器,通过汇流排连接
宽度:6 个模组
1 + 2 型电涌保护器符合 GB/T 18802.11 / IEC 61643-11 标准
故障显示,带远程信号触点
最大持续工作电压:385 V AC
保护水平:≤ 2.5 kV
标称放电电流:50 kA
雷电冲击电流 50 kA
短路耐受能力:25 kArms
提供与 DEHN SCB ... 结合使用的测试报告

制造商: DEHN
型号: VT1+2 50 TNC 385 FM
货号: 955622
其他类似产品

 

技术参数

电涌保护器符合 GB/T 18802.11 / IEC 61643-11 标准 类型 1+2 / 等级 I+II
标称电压 AC (UN ) 230 / 400 V (50 / 60 Hz)
最大持续工作电压 AC (UC ) 385 V (50 / 60 Hz)
标称放电电流 (8/20 µs) (In ) 50 kA
最大放电电流 (8/20 µs) (I最大 ) 100 kA
最大后备熔丝 500 A gG
最大电源端过电流保护下的短路耐受能力 (ISCCR ) 25 kArms

.产品已加入收藏夹。

商品955622加入购物车。


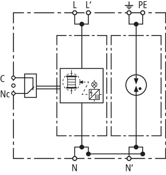
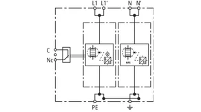
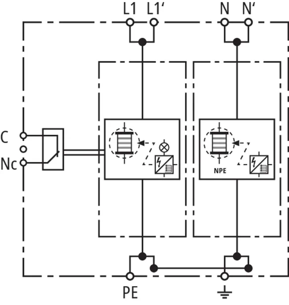
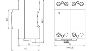
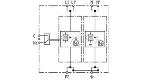
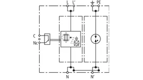
VT1+2 50 TN ...FM

适用于单相 TN 系统的紧凑型复合电涌保护器(“2+0”电路); 带远程信号触点。

2 产品

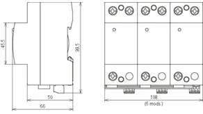
货号 955610 VT1+2 50 TN 275 FM

全球贸易项目代码 6942299508123, 总重: 633.90 g, 包装单位: 1.00


图片

附加信息

紧凑型复合电涌保护器 VT1+2 TN 275 CN
2 极复合雷电流电涌保护器包括
多个电涌保护器,通过汇流排连接
宽度:4 个模组
1 + 2 型电涌保护器符合 GB/T 18802.11 / IEC 61643-11 标准
故障显示,带远程信号触点
最大持续工作电压:275 V AC
保护水平:≤ 1.8 kV
标称放电电流:50 kA
雷电冲击电流 50 kA
短路耐受能力:10 kArms
提供与 DEHN SCB ... 结合使用的测试报告

制造商: DEHN
型号: VT1+2 50 TN 275 FM
货号: 955610
其他类似产品

 

技术参数

电涌保护器符合 GB/T 18802.11 / IEC 61643-11 标准 类型 1+2 / 等级 I+II
标称电压 AC (UN ) 230 / 400 V (50 / 60 Hz)
最大持续工作电压 AC (UC ) 275 V (50 / 60 Hz)
标称放电电流 (8/20 µs) (In ) 50 kA
最大放电电流 (8/20 µs) [L-N] (I最大 ) 100 kA
最大后备熔丝 500 A gG
最大电源端过电流保护下的短路耐受能力 (ISCCR ) 10 kArms

.产品已加入收藏夹。

商品955610加入购物车。

货号 955618 VT1+2 50 TN 385 FM

全球贸易项目代码 6942299508208, 总重: 635.50 g, 包装单位: 1.00


图片

附加信息

紧凑型复合电涌保护器 VT1+2 TN 385 CN
2 极复合雷电流电涌保护器包括
多个电涌保护器,通过汇流排连接
宽度:4 个模组
1 + 2 型电涌保护器符合 GB/T 18802.11 / IEC 61643-11 标准
故障显示,带远程信号触点
最大持续工作电压:385 V AC
保护水平:≤ 2.5 kV
标称放电电流:50 kA
雷电冲击电流 50 kA
短路耐受能力:25 kArms
提供与 DEHN SCB ... 结合使用的测试报告

制造商: DEHN
型号: VT1+2 50 TN 385 FM
货号: 955618
其他类似产品

 

技术参数

电涌保护器符合 GB/T 18802.11 / IEC 61643-11 标准 类型 1+2 / 等级 I+II
标称电压 AC (UN ) 230 / 400 V (50 / 60 Hz)
最大持续工作电压 AC (UC ) 385 V (50 / 60 Hz)
标称放电电流 (8/20 µs) (In ) 50 kA
最大放电电流 (8/20 µs) [L-N] (I最大 ) 100 kA
最大后备熔丝 500 A gG
最大电源端过电流保护下的短路耐受能力 (ISCCR ) 25 kArms

.产品已加入收藏夹。

商品955618加入购物车。


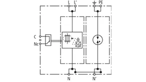
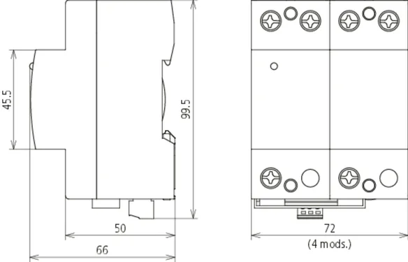
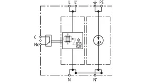
VT1+2 50 TT 2P ...FM

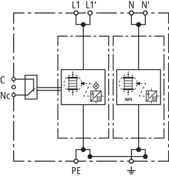
适用于单相 TT 和 TN 系统的紧凑型复合电涌保护器(“1+1”电路);带远程信号触点。

2 产品

货号 955612 VT1+2 50 TT 2P 275 FM

全球贸易项目代码 6942299508147, 总重: 541.00 g, 包装单位: 1.00


图片

附加信息

紧凑型复合电涌保护器 VT1+2 TT 2P 275 CN
2 极复合雷电流电涌保护器包括
多个电涌保护器,通过汇流排连接
宽度:4 个模组
1 + 2 型电涌保护器符合 GB/T 18802.11 / IEC 61643-11 标准
故障显示,带远程信号触点
最大持续工作电压 L-N / N-PE:275 V AC/ 255 V AC
电压保护水平 L-N/N-PE:≤1.8 kV/≤2.2 kV
标称放电电流 L-N / N-PE:50 kA / 100 kA
雷电冲击电流 L-N / N-PE:50 kA / 100 kA
短路耐受能力:10 kArms
提供与 DEHN SCB ... 结合使用的测试报告

制造商: DEHN
型号: VT1+2 50 TT 2P 275 FM
货号: 955612
其他类似产品

 

技术参数

电涌保护器符合 GB/T 18802.11 / IEC 61643-11 标准 类型 1+2 / 等级 I+II
标称电压 AC (UN ) 230 / 400 V (50 / 60 Hz)
最大持续工作电压 AC (UC ) 275 V (50 / 60 Hz)
交流最大持续工作电压 [L-N] (UC ) 275 V (50 / 60 Hz)
交流最大持续工作电压 [N-PE] (UC ) 255 V (50 / 60 Hz)
标称放电电流 (8/20 µs) [L-N] (In ) 50 kA
标称放电电流 (8/20 µs) [N-PE] (In ) 100 kA
最大放电电流 (8/20 µs) [L-N] (I最大 ) 100 kA
最大后备熔丝 500 A gG
最大电源端过电流保护下的短路耐受能力 (ISCCR ) 10 kArms

.产品已加入收藏夹。

商品955612加入购物车。

货号 955620 VT1+2 50 TT 2P 385 FM

全球贸易项目代码 6942299508222, 总重: 541.00 g, 包装单位: 1.00


图片

附加信息

紧凑型复合电涌保护器 VT1+2 TT 2P 385 CN
2 极复合雷电流电涌保护器包括
多个电涌保护器,通过汇流排连接
宽度:4 个模组
1 + 2 型电涌保护器符合 GB/T 18802.11 / IEC 61643-11 标准
故障显示,带远程信号触点
最大持续工作电压 L-N / N-PE:385 V AC/ 255 V AC
电压保护水平 L-N/N-PE:≤2.5 kV/≤2.2 kV
标称放电电流 L-N / N-PE:50 kA / 100 kA
雷电冲击电流 L-N / N-PE:50 kA / 100 kA
短路耐受能力:25 kArms
提供与 DEHN SCB ... 结合使用的测试报告

制造商: DEHN
型号: VT1+2 50 TT 2P 385 FM
货号: 955620
其他类似产品

 

技术参数

电涌保护器符合 GB/T 18802.11 / IEC 61643-11 标准 类型 1+2 / 等级 I+II
标称电压 AC (UN ) 230 / 400 V (50 / 60 Hz)
最大持续工作电压 AC (UC ) 385 V (50 / 60 Hz)
交流最大持续工作电压 [L-N] (UC ) 385 V (50 / 60 Hz)
交流最大持续工作电压 [N-PE] (UC ) 255 V (50 / 60 Hz)
标称放电电流 (8/20 µs) [L-N] (In ) 50 kA
标称放电电流 (8/20 µs) [N-PE] (In ) 100 kA
最大放电电流 (8/20 µs) [L-N] (I最大 ) 100 kA
最大后备熔丝 500 A gG
最大电源端过电流保护下的短路耐受能力 (ISCCR ) 25 kArms

.产品已加入收藏夹。

商品955620加入购物车。


返回顶部