Wiring accessories STAK

Enables EMC-optimised through-wiring according to IEC 60364-5-53

详情

STAK 2X16 for EMC-optimised through-wiring of lightning current and surge arresters according to IEC 60364-5-53.
lorem ipsum

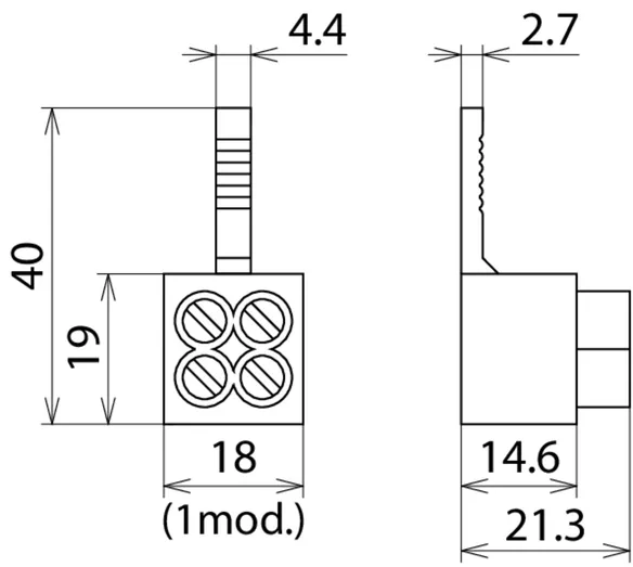
Push-in spring terminal STAK 4X10

1 产品

货号 952588 STAK 4X10

全球贸易项目代码 4013364526624, 海关HS编码: 85369010, 总重: 35.67 g, 包装单位: 2.00 pc(s)


图片

附加信息

Push-in terminal STAK 4X10
Cross-sectional area: 4 x 10 mm²

Brand: DEHN
Type: STAK 4X10
Part No.: 952588
or equivalent.

认证

 

技术参数

Max. continuous operating voltage (AC) (UC ) 275 V
Max. PV voltage (UCPV ) 1500 V
Lightning impulse current (10/350 µs) (Iimp ) 6.25 kA
Nominal discharge current (8/20 µs) (In ) 20 kA
Max. discharge current (8/20 µs) (Imax ) 40 kA
Cross-sectional area (min.) 1.5 mm2 solid / 6 mm2 fine-stranded
Cross-sectional area (max.) 10 mm2 solid / fine-stranded
Cross-sectional area (min.) with wire end ferrule 1,5 mm²
Cross-sectional area (max.) with wire end ferrule 6 mm²
Cross-sectional area (max.) with wire end ferrule without collar 10 mm²

.产品已加入收藏夹。

商品952588加入购物车。


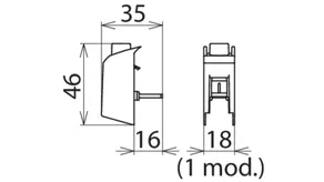
STAK 25 Pin-shaped Terminal

Pin-shaped terminal for EMC-optimised through-wiring of lightning current and surge arresters according to IEC 60364-5-53.

1 产品

货号 952589 STAK 25

全球贸易项目代码 4013364132306, 海关HS编码: 85369010, 总重: 17.40 g, 包装单位: 4.00 pc(s)


图片

附加信息

STAK 25 pin-shaped terminal
Pin-shaped terminal for "V-connection" to
surge protective devices up to 25mm²

Brand: DEHN
Type: STAK 25
Part No.: 952589
or equivalent.

认证

 

技术参数

Nominal voltage (a.c. / d.c.) (UN ) 600 V
Max. PV voltage (UCPV) when used in combination with DEHNguard M YPV ... 1200 V
Nominal load current (a.c.) (IL ) 100 A
Lightning impulse current (10/350 µs) (Iimp ) 25 kA
Discharge current (8/20 µs) 50 kA
Cross-sectional area (min.) 1.5 mm2 solid / flexible
Cross-sectional area (max.) 25 mm2 stranded / 16 mm2 flexible
Type of connection front

.产品已加入收藏夹。

商品952589加入购物车。


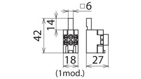
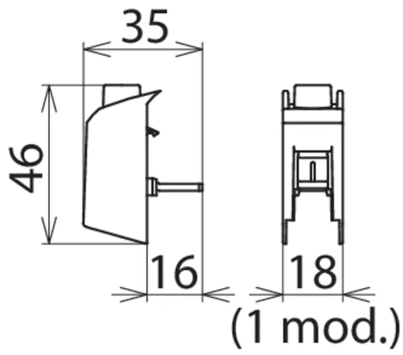
STAK 3X16 Pin-shaped Terminal

Pin-shaped terminal for EMC-optimised through-wiring of lightning current and surge arresters according to IEC 60364-5-53.

1 产品

货号 900588 STAK 3X16

全球贸易项目代码 4013364323933, 海关HS编码: 85369010, 总重: 40.00 g, 包装单位: 4.00 pc(s)


图片

附加信息

Pin-shaped terminal STAK 3X16
Terminal for "V-connection"
Cross-sectional area: 3 x 16 mm2

Brand: DEHN
Type: STAK 3X16
Part No.: 900588
or equivalent.

认证

 

技术参数

Nominal voltage (a.c. / d.c.) (UN ) 690 V / 1500 V
Nominal load current (a.c.) (IL ) 160 A
Load current at V-wiring 80 A
Lightning impulse current (10/350 µs) (Iimp ) 25 kA
Cross-sectional area (min.) 1.5 mm2 solid / flexible
Cross-sectional area (max.) 16 mm2 stranded / 10 mm2 flexible
Type of connection front

.产品已加入收藏夹。

商品900588加入购物车。


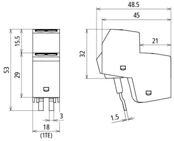
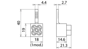
STAK 2X16 Pin-shaped Terminal

Pin-shaped terminal for EMC-optimised through-wiring of lightning current and surge arresters according to IEC 60364-5-53.

1 产品

货号 900589 STAK 2X16

全球贸易项目代码 4013364109339, 海关HS编码: 85369010, 总重: 20.00 g, 包装单位: 1.00 pc(s)


图片

附加信息

STAK 2X16 pin-shaped terminal
Double terminal design for
EMC-optimised feed-through wiring
Cross-sectional area: 2 x 16 mm2

Brand: DEHN
Type: STAK 2X16
Part No.: 900589
or equivalent.

 

技术参数

Lightning impulse current (10/350 µs) (Iimp ) 25 kA
Cross-sectional area (min.) 2x 10 mm2
Cross-sectional area (max.) 2x 16 mm2
Type of connection front (double terminal)

.产品已加入收藏夹。

商品900589加入购物车。


返回顶部