Supporting Tubes for HVI power Conductor / HVI power long Conductor

Supporting tube with internal sealing end and EB spring element.

With air-termination tip

Supporting tube with internal sealing end and EB spring element.
Air-termination tip, Al/StSt, Ø10 mm, length 1000 mm.

4 产品

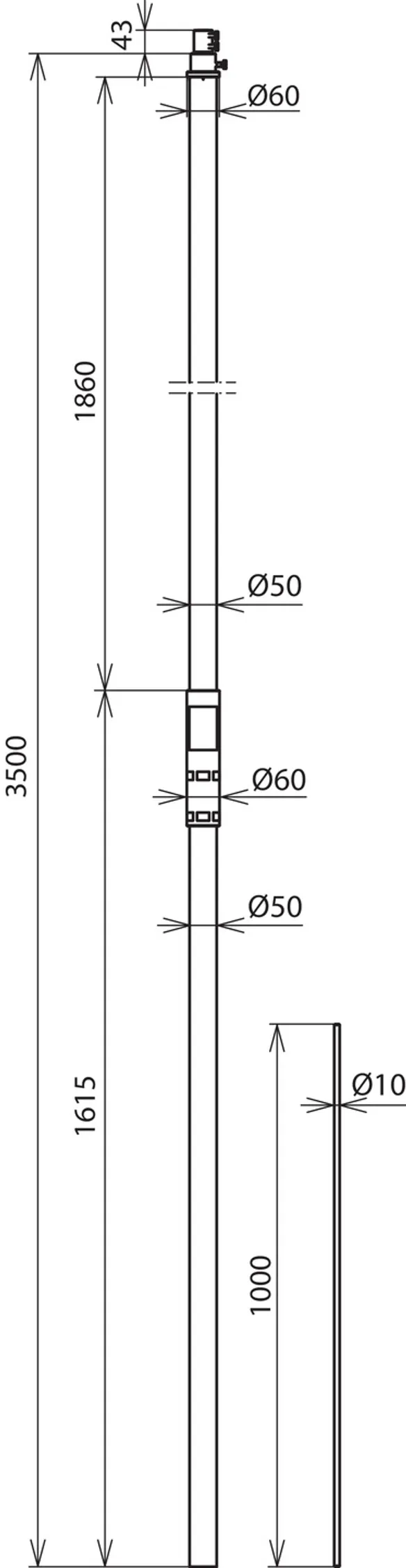
货号 105563 SR D50 3500 FSP1000 IA HVIP GFK AL

全球贸易项目代码 4013364271937, 海关HS编码: 85389099, 总重: 5.70 kg, 包装单位: 1.00 pc(s)


图片

附加信息

Supporting tube for HVI power Conductor with air-termation tip, 3500 mm long, GRP/Al
GRP/Al supporting tubes with internal sealing end and EB spring element for HVI power Conductors
for keeping the separation distance from conductive parts according to IEC/EN 62305-3
The supporting tubes are dimensioned according to Eurocode 1 (DIN EN 1991-1-4 + DIN EN 1991-1-4/NA)
Insulating clearance made of glass-fibre reinforced plastic (GRP)
Material factor km = 0.7
Light grey colour, UV-stabilised, one element
Combined with air-termination tip, Ø10 mm, length of 1000 mm, Al
Material of supporting tube: GRP / Al
Length of supporting tube: 3500 mm
Outside diameter Ø : 50 mm
Max. free length with air-termination tip (wall mounting): 3500 mm
Max. gust wind speed: See wind load pamphlet
Standard: DIN IEC/TS 62561-8 (VDE V 0185-561-8)

Brand: DEHN
Type: SR D50 3500 FSP1000 IA HVIP GFK AL
Part No.: 105563
or equivalent.

认证

 

技术参数

Material of supporting tube GRP / Al
Length of supporting tube 3500 mm
Outside diameter Ø 50 mm
Transport length 3500 mm
Length of insulating clearance 1800 mm
Suitable for installation outside the tube yes
Max. free length with air-termination tip (wall mounting) 3500 mm
Standard DIN IEC/TS 62561-8 (VDE V 0185-561-8)

.产品已加入收藏夹。

商品105563加入购物车。

货号 105565 SR D50 5000 FSP1000 IA HVIP GFK AL

全球贸易项目代码 4013364271944, 海关HS编码: 85389099, 总重: 8.10 kg, 包装单位: 1.00 pc(s)


图片

附加信息

Supporting tube for HVI power Conductor with air-termination tip 5000 mm long, GRP/Al
GRP/Al supporting tubes with internal sealing end and EB spring element for HVI power Conductors
for keeping the separation distance from conductive parts according to IEC/EN 62305-3
The supporting tubes are dimensioned according to Eurocode 1 (DIN EN 1991-1-4 + DIN EN 1991-1-4/NA)
Insulating clearance made of glass-fibre reinforced plastic (GRP)
Material factor km = 0.7
Light grey colour, UV-stabilised, one element
Combined with air-termination tip, Ø10 mm, length of 1000 mm, Al
Material of supporting tube: GRP / Al
Length of supporting tube: 5000 mm
Outside diameter Ø : 50 mm
Max. free length with air-termination tip (wall mounting): 4000 mm
Max. gust wind speed: See wind load pamphlet
Standard: DIN IEC/TS 62561-8 (VDE V 0185-561-8)

Brand: DEHN
Type: SR D50 5000 FSP1000 IA HVIP GFK AL
Part No.: 105565
or equivalent.

 

技术参数

Material of supporting tube GRP / Al
Length of supporting tube 5000 mm
Outside diameter Ø 50 mm
Transport length 5000 mm
Length of insulating clearance 1800 mm
Suitable for installation outside the tube yes
Max. free length with air-termination tip (wall mounting) 4000 mm
Standard DIN IEC/TS 62561-8 (VDE V 0185-561-8)

.产品已加入收藏夹。

商品105565加入购物车。

货号 105320 SR D50 3500 FSP1000 IP HVIP GFK V2A

全球贸易项目代码 4013364152373, 海关HS编码: 85389099, 总重: 10.60 kg, 包装单位: 1.00 pc(s)


图片

附加信息

Supporting tube for HVI power Conductor with air-termination tip, 3500 mm long, GRP/StSt
GRP/StSt supporting tubes with internal sealing end and EB spring element for HVI power Conductors
for keeping the separation distance from conductive parts according to IEC/EN 62305-3
The supporting tubes are dimensioned according to Eurocode 1 (DIN EN 1991-1-4 + DIN EN 1991-1-4/NA)
Insulating clearance made of glass-fibre reinforced plastic (GRP)
Material factor km = 0.7
Light grey colour, UV-stabilised, one element
Combined with air-termination tip, Ø10 mm, length of 1000 mm, StSt
Material of supporting tube: GRP / StSt
Length of supporting tube: 3500 mm
Outside diameter Ø : 50 mm
Max. free length with air-termination tip (wall mounting): 3500 mm
Max. gust wind speed: See wind load pamphlet
Standard: DIN IEC/TS 62561-8 (VDE V 0185-561-8)

Brand: DEHN
Type: SR D50 3500 FSP1000 IP HVIP GFK V2A
Part No.: 105320
or equivalent.

认证

 

技术参数

Material of supporting tube GRP / StSt
Length of supporting tube 3500 mm
Outside diameter Ø 50 mm
Transport length 3500 mm
Length of insulating clearance 1800 mm
Suitable for installation outside the tube no
Max. free length with air-termination tip (wall mounting) 3500 mm
Standard DIN IEC/TS 62561-8 (VDE V 0185-561-8)

.产品已加入收藏夹。

商品105320加入购物车。

货号 105322 SR D50 5000 FSP1000 IP HVIP GFK V2A

全球贸易项目代码 4013364152380, 海关HS编码: 85389099, 总重: 15.80 kg, 包装单位: 1.00 pc(s)


图片

附加信息

Supporting tube for HVI power Conductor with air-termination tip, 5000 mm long, GRP/StSt
GRP/StSt supporting tubes with internal sealing end and EB spring element for HVI power Conductors
for keeping the separation distance from conductive parts according to IEC/EN 62305-3
The supporting tubes are dimensioned according to Eurocode 1 (DIN EN 1991-1-4 + DIN EN 1991-1-4/NA)
Insulating clearance made of glass-fibre reinforced plastic (GRP)
Material factor km = 0.7
Light grey colour, UV-stabilised, one element
Combined with air-termination tip, Ø10 mm, length of 1000 mm, StSt
Material of supporting tube: GRP / StSt
Length of supporting tube: 5000 mm
Outside diameter Ø : 50 mm
Max. free length with air-termination tip (wall mounting): 4000 mm
Max. gust wind speed: See wind load pamphlet
Standard: DIN IEC/TS 62561-8 (VDE V 0185-561-8)

Brand: DEHN
Type: SR D50 5000 FSP1000 IP HVIP GFK V2A
Part No.: 105322
or equivalent.

认证

 

技术参数

Material of supporting tube GRP / StSt
Length of supporting tube 5000 mm
Outside diameter Ø 50 mm
Transport length 5000 mm
Length of insulating clearance 1800 mm
Suitable for installation outside the tube no
Max. free length with air-termination tip (wall mounting) 4000 mm
Standard DIN IEC/TS 62561-8 (VDE V 0185-561-8)

.产品已加入收藏夹。

商品105322加入购物车。


With air-termination rod

Supporting tube with internal sealing end and EB spring element.
Air-termination rod, Al/StSt, Ø22 / 16 / 10 mm, length 2500 mm.

4 产品

货号 105573 SR D50 3500 FS2500 IA HVIP GFK AL

全球贸易项目代码 4013364271975, 海关HS编码: 85389099, 总重: 6.56 kg, 包装单位: 1.00 pc(s)


图片

附加信息

Supporting tube for HVI power Conductor with air-termination rod, 3500 mm long, GRP/Al
GRP/Al supporting tubes with internal sealing end and EB spring element for HVI power Conductors
for keeping the separation distance from conductive parts according to IEC/EN 62305-3
The supporting tubes are dimensioned according to Eurocode 1 (DIN EN 1991-1-4 + DIN EN 1991-1-4/NA)
Insulating clearance made of glass-fibre reinforced plastic (GRP)
Material factor km = 0.7
Light grey colour, UV-stabilised, one element
Combined with air-termination rod, Ø22/16/10 mm, length of 2500 mm, Al
Material of supporting tube: GRP / Al
Length of supporting tube: 3500 mm
Outside diameter Ø : 50 mm
Max. free length with air-termination rod (wall mounting): 5000 mm
Max. gust wind speed: See wind load pamphlet
Standard: DIN IEC/TS 62561-8 (VDE V 0185-561-8)

Brand: DEHN
Type: SR D50 3500 FS2500 IA HVIP GFK AL
Part No.: 105573
or equivalent.

认证

 

技术参数

Material of supporting tube GRP / Al
Length of supporting tube 3500 mm
Outside diameter Ø 50 mm
Transport length 3500 mm
Length of insulating clearance 1800 mm
Suitable for installation outside the tube yes
Max. free length with air-termination rod (wall mounting) 5000 mm
Standard DIN IEC/TS 62561-8 (VDE V 0185-561-8)

.产品已加入收藏夹。

商品105573加入购物车。

货号 105575 SR D50 5000 FS2500 IA HVIP GFK AL

全球贸易项目代码 4013364272026, 海关HS编码: 85389099, 总重: 8.90 kg, 包装单位: 1.00 pc(s)


图片

附加信息

Supporting tube for HVI power Conductor with air-termination rod, 5000 mm long, GRP/Al
GRP/Al supporting tubes with internal sealing end and EB spring element for HVI power Conductors
for keeping the separation distance from conductive parts according to IEC/EN 62305-3
The supporting tubes are dimensioned according to Eurocode 1 (DIN EN 1991-1-4 + DIN EN 1991-1-4/NA)
Insulating clearance made of glass-fibre reinforced plastic (GRP)
Material factor km = 0.7
Light grey colour, UV-stabilised, one element
Combined with air-termination rod, Ø22/16/10 mm, length of 2500 mm, Al
Material of supporting tube: GRP / Al
Length of supporting tube: 5000 mm
Outside diameter Ø : 50 mm
Max. free length with air-termination rod (wall mounting): 5500 mm
Max. gust wind speed: See wind load pamphlet
Standard: DIN IEC/TS 62561-8 (VDE V 0185-561-8)

Brand: DEHN
Type: SR D50 5000 FS2500 IA HVIP GFK AL
Part No.: 105575
or equivalent.

认证

 

技术参数

Material of supporting tube GRP / Al
Length of supporting tube 5000 mm
Outside diameter Ø 50 mm
Transport length 5000 mm
Length of insulating clearance 1800 mm
Suitable for installation outside the tube yes
Max. free length with air-termination rod (wall mounting) 5500 mm
Standard DIN IEC/TS 62561-8 (VDE V 0185-561-8)

.产品已加入收藏夹。

商品105575加入购物车。

货号 105321 SR D50 3500 FS22 10 2500 IP HVIP GFK V2A

全球贸易项目代码 4013364152397, 海关HS编码: 85389099, 总重: 12.20 kg, 包装单位: 1.00 pc(s)


图片

附加信息

Supporting tube for HVI power Conductor with air-termination rod, 3500 mm long, GRP/StSt
GRP/StSt supporting tubes with internal sealing end and EB spring element for HVI power Conductors
for keeping the separation distance from conductive parts according to IEC/EN 62305-3
The supporting tubes are dimensioned according to Eurocode 1 (DIN EN 1991-1-4 + DIN EN 1991-1-4/NA)
Insulating clearance made of glass-fibre reinforced plastic (GRP)
Material factor km = 0.7
Light grey colour, UV-stabilised, one element
Combined with air-termination rod, Ø22/16/10 mm, length of 2500 mm, StSt
Material of supporting tube: GRP / StSt
Length of supporting tube: 3500 mm
Outside diameter Ø : 50 mm
Max. free length with air-termination rod (wall mounting): 5000 mm
Max. gust wind speed: See wind load pamphlet
Standard: DIN IEC/TS 62561-8 (VDE V 0185-561-8)

Brand: DEHN
Type: SR D50 3500 FS22 10 2500 IP HVIP GFK V2A
Part No.: 105321
or equivalent.

认证

 

技术参数

Material of supporting tube GRP / StSt
Length of supporting tube 3500 mm
Outside diameter Ø 50 mm
Transport length 3500 mm
Length of insulating clearance 1800 mm
Suitable for installation outside the tube no
Max. free length with air-termination rod (wall mounting) 5000 mm
Standard DIN IEC/TS 62561-8 (VDE V 0185-561-8)

.产品已加入收藏夹。

商品105321加入购物车。

货号 105323 SR D50 5000 FS22 10 2500 IP HVIP GFK V2A

全球贸易项目代码 4013364152403, 海关HS编码: 85389099, 总重: 16.30 kg, 包装单位: 1.00 pc(s)


图片

附加信息

Supporting tube for HVI power Conductor with air-termination rod, 5000 mm long, GRP/StSt
GRP/StSt supporting tubes with internal sealing end and EB spring element for HVI power Conductors
for keeping the separation distance from conductive parts according to IEC/EN 62305-3
The supporting tubes are dimensioned according to Eurocode 1 (DIN EN 1991-1-4 + DIN EN 1991-1-4/NA)
Insulating clearance made of glass-fibre reinforced plastic (GRP)
Material factor km = 0.7
Light grey colour, UV-stabilised, one element
Combined with air-termination rod, Ø22/16/10 mm, length of 2500 mm, StSt
Material of supporting tube: GRP / StSt
Length of supporting tube: 5000 mm
Outside diameter Ø : 50 mm
Max. free length with air-termination rod (wall mounting): 5500 mm
Max. gust wind speed: See wind load pamphlet
Standard: DIN IEC/TS 62561-8 (VDE V 0185-561-8)

Brand: DEHN
Type: SR D50 5000 FS22 10 2500 IP HVIP GFK V2A
Part No.: 105323
or equivalent.

认证

 

技术参数

Material of supporting tube GRP / StSt
Length of supporting tube 5000 mm
Outside diameter Ø 50 mm
Transport length 5000 mm
Length of insulating clearance 1800 mm
Suitable for installation outside the tube no
Max. free length with air-termination rod (wall mounting) 5500 mm
Standard DIN IEC/TS 62561-8 (VDE V 0185-561-8)

.产品已加入收藏夹。

商品105323加入购物车。


With air-termination tip and side outlet

Supporting tube with internal sealing end and EB spring element.
Air-termination tip, Al/StSt, Ø10 mm, length 1000 mm.

4 产品

货号 105513 SR D50 3500 FSP1000 IA SA HVIP GFK AL

全球贸易项目代码 4013364270282, 海关HS编码: 85389099, 总重: 5.50 kg, 包装单位: 1.00 pc(s)


图片

附加信息

Supporting tube for HVI power Conductors, GRP/Al, with lateral outlet
GRP/Al supporting tube with side outlet,
internal sealing end and EB spring element for HVI power Conductors
for keeping the separation distance from electrically conductive parts as per IEC/EN 62305-3
The supporting tubes are dimensioned according to Eurocode 1 (DIN EN 1991-1-4 + DIN EN 1991-1-4/NA)
Insulating clearance made of glass-fibre reinforced plastic (GRP)
Material factor km = 0.7
Light grey colour, UV-stabilised, one element
Combined with air-termination tip, Ø10 mm, length of 1000 mm, Al
Material of supporting tube: GRP / Al
Length of supporting tube: 3500 mm
Outside diameter Ø : 50 mm
Max. gust wind speed: See wind load pamphlet
Standard: DIN IEC/TS 62561-8 (VDE V 0185-561-8)

Brand: DEHN
Type: SR D50 3500 FSP1000 IA SA HVIP GFK AL
Part No.: 105513
or equivalent.

认证

 

技术参数

Material of supporting tube GRP / Al
Length of supporting tube 3500 mm
Outside diameter Ø 50 mm
Transport length 3500 mm
Length of insulating clearance 1800 mm
Suitable for installation outside the tube yes
Standard DIN IEC/TS 62561-8 (VDE V 0185-561-8)

.产品已加入收藏夹。

商品105513加入购物车。

货号 105515 SR D50 5000 FSP1000 IA SA HVIP GFK AL

全球贸易项目代码 4013364271821, 海关HS编码: 85389099, 总重: 8.00 kg, 包装单位: 1.00 pc(s)


图片

附加信息

Supporting tube for HVI power Conductors, GRP/Al, with lateral outlet
GRP/Al supporting tube with side outlet,
internal sealing end and EB spring element for HVI power Conductors
for keeping the separation distance from electrically conductive parts as per IEC/EN 62305-3
The supporting tubes are dimensioned according to Eurocode 1 (DIN EN 1991-1-4 + DIN EN 1991-1-4/NA)
Insulating clearance made of glass-fibre reinforced plastic (GRP)
Material factor km = 0.7
Light grey colour, UV-stabilised, one element
Combined with air-termination tip, Ø10 mm, length of 1000 mm, Al
Material of supporting tube: GRP / Al
Length of supporting tube: 5000 mm
Outside diameter Ø : 50 mm
Max. gust wind speed: See wind load pamphlet
Standard: DIN IEC/TS 62561-8 (VDE V 0185-561-8)

Brand: DEHN
Type: SR D50 5000 FSP1000 IA SA HVIP GFK AL
Part No.: 105515
or equivalent.

认证

 

技术参数

Material of supporting tube GRP / Al
Length of supporting tube 5000 mm
Outside diameter Ø 50 mm
Transport length 5000 mm
Length of insulating clearance 1800 mm
Suitable for installation outside the tube yes
Standard DIN IEC/TS 62561-8 (VDE V 0185-561-8)

.产品已加入收藏夹。

商品105515加入购物车。

货号 105392 SR D50 3500 FS1000 IP SA HVIP GFK V2A

全球贸易项目代码 4013364157903, 海关HS编码: 85389099, 总重: 10.20 kg, 包装单位: 1.00 pc(s)


图片

附加信息

Supporting tube for HVI power Conductors, GRP/StSt, with lateral outlet
GRP/StSt supporting tubes with side outlet,
internal sealing end and EB spring element for HVI power Conductors
for keeping the separation distance from electrically conductive parts as per IEC/EN 62305-3
The supporting tubes are dimensioned according to Eurocode 1 (DIN EN 1991-1-4 + DIN EN 1991-1-4/NA)
Insulating clearance made of glass-fibre reinforced plastic (GRP)
Material factor km = 0.7
Light grey colour, UV-stabilised, one element
Combined with air-termination tip, Ø10 mm, length of 1000 mm, StSt
Material of supporting tube: GRP / StSt
Length of supporting tube: 3500 mm
Outside diameter Ø : 50 mm
Max. gust wind speed: See wind load pamphlet
Standard: DIN IEC/TS 62561-8 (VDE V 0185-561-8)

Brand: DEHN
Type: SR D50 3500 FS1000 IP SA HVIP GFK V2A
Part No.: 105392
or equivalent.

认证

 

技术参数

Material of supporting tube GRP / StSt
Length of supporting tube 3500 mm
Outside diameter Ø 50 mm
Transport length 3500 mm
Length of insulating clearance 1800 mm
Suitable for installation outside the tube no
Standard DIN IEC/TS 62561-8 (VDE V 0185-561-8)

.产品已加入收藏夹。

商品105392加入购物车。

货号 105394 SR D50 5000 FS1000 IP SA HVIP GFK V2A

全球贸易项目代码 4013364157910, 海关HS编码: 85389099, 总重: 15.10 kg, 包装单位: 1.00 pc(s)


图片

附加信息

Supporting tube for HVI power Conductors, GRP/StSt, with lateral outlet
GRP/StSt supporting tubes with lateral outlet,
internal sealing end and EB spring element for HVI power Conductors
for keeping the separation distance from electrically conductive parts as per IEC/EN 62305-3
The supporting tubes are dimensioned according to Eurocode 1 (DIN EN 1991-1-4 + DIN EN 1991-1-4/NA)
Insulating clearance made of glass-fibre reinforced plastic (GRP)
Material factor km = 0.7
Light grey colour, UV-stabilised, one element
Combined with air-termination tip, Ø10 mm, length of 1000 mm, StSt
Material of supporting tube: GRP / StSt
Length of supporting tube: 5000 mm
Outside diameter Ø : 50 mm
Max. gust wind speed: See wind load pamphlet
Standard: DIN IEC/TS 62561-8 (VDE V 0185-561-8)

Brand: DEHN
Type: SR D50 5000 FS1000 IP SA HVIP GFK V2A
Part No.: 105394
or equivalent.

认证

 

技术参数

Material of supporting tube GRP / StSt
Length of supporting tube 5000 mm
Outside diameter Ø 50 mm
Transport length 5000 mm
Length of insulating clearance 1800 mm
Suitable for installation outside the tube no
Standard DIN IEC/TS 62561-8 (VDE V 0185-561-8)

.产品已加入收藏夹。

商品105394加入购物车。


With air-termination rod and side outlet

Supporting tube with internal sealing end and EB spring element.
Air-termination rod, Al/StSt, Ø22 / 16 / 10 mm, length 2500 mm.

3 产品

货号 105543 SR D50 3500 FS2500 IA SA HVIP GFK AL

全球贸易项目代码 4013364271845, 海关HS编码: 85389099, 总重: 6.40 kg, 包装单位: 1.00 pc(s)


图片

附加信息

Supporting tube for HVI power Conductors, GRP/Al, with lateral outlet
GRP/Al supporting tubes with lateral outlet,
internal sealing end and EB spring element for HVI power Conductors
for keeping the separation distance from electrically conductive parts as per IEC/EN 62305-3
The supporting tubes are dimensioned according to Eurocode 1 (DIN EN 1991-1-4 + DIN EN 1991-1-4/NA)
Insulating clearance made of glass-fibre reinforced plastic (GRP)
Material factor km = 0.7
Light grey colour, UV-stabilised, one element
Combined with air-termination tip, Ø22/16/10 mm, length of 2500 mm, Al
Material of supporting tube: GRP / Al
Length of supporting tube: 3500 mm
Outside diameter Ø : 50 mm
Max. gust wind speed: See wind load pamphlet
Standard: DIN IEC/TS 62561-8 (VDE V 0185-561-8)

Brand: DEHN
Type: SR D50 3500 FS2500 IA SA HVIP GFK AL
Part No.: 105543
or equivalent.

认证

 

技术参数

Material of supporting tube GRP / Al
Length of supporting tube 3500 mm
Outside diameter Ø 50 mm
Transport length 3500 mm
Length of insulating clearance 1800 mm
Suitable for installation outside the tube yes
Standard DIN IEC/TS 62561-8 (VDE V 0185-561-8)

.产品已加入收藏夹。

商品105543加入购物车。

货号 105545 SR D50 5000 FS2500 IA SA HVIP GFK AL

全球贸易项目代码 4013364271876, 海关HS编码: 85389099, 总重: 8.90 kg, 包装单位: 1.00 pc(s)


图片

附加信息

Supporting tube for HVI power Conductors, GRP/Al, with lateral outlet
GRP/Al supporting tubes with lateral outlet,
internal sealing end and EB spring element for HVI power Conductors
for keeping the separation distance from electrically conductive parts as per IEC/EN 62305-3
The supporting tubes are dimensioned according to Eurocode 1 (DIN EN 1991-1-4 + DIN EN 1991-1-4/NA)
Insulating clearance made of glass-fibre reinforced plastic (GRP)
Material factor km = 0.7
Light grey colour, UV-stabilised, one element
Combined with air-termination tip, Ø22/16/10 mm, length of 2500 mm, Al
Material of supporting tube: GRP / Al
Length of supporting tube: 5000 mm
Outside diameter Ø : 50 mm
Max. gust wind speed: See wind load pamphlet
Standard: DIN IEC/TS 62561-8 (VDE V 0185-561-8)

Brand: DEHN
Type: SR D50 5000 FS2500 IA SA HVIP GFK AL
Part No.: 105545
or equivalent.

认证

 

技术参数

Material of supporting tube GRP / Al
Length of supporting tube 5000 mm
Outside diameter Ø 50 mm
Transport length 5000 mm
Length of insulating clearance 1800 mm
Suitable for installation outside the tube yes
Standard DIN IEC/TS 62561-8 (VDE V 0185-561-8)

.产品已加入收藏夹。

商品105545加入购物车。

货号 105395 SR D50 5000 FS2500 IP SA HVIP GFK V2A

全球贸易项目代码 4013364157934, 海关HS编码: 85389099, 总重: 17.12 kg, 包装单位: 1.00 pc(s)


图片

附加信息

Supporting tube for HVI power Conductors, GRP/StSt, with lateral outlet
GRP/StSt supporting tubes with lateral outlet,
internal sealing end and EB spring element for HVI power Conductors
for keeping the separation distance from electrically conductive parts as per IEC/EN 62305-3
The supporting tubes are dimensioned according to Eurocode 1 (DIN EN 1991-1-4 + DIN EN 1991-1-4/NA)
Insulating clearance made of glass-fibre reinforced plastic (GRP)
Material factor km = 0.7
Light grey colour, UV-stabilised, one element
Combined with air-termination tip, Ø22/16/10 mm, length of 2500 mm, StSt
Material of supporting tube: GRP / StSt
Length of supporting tube: 5000 mm
Outside diameter Ø : 50 mm
Max. gust wind speed: See wind load pamphlet
Standard: DIN IEC/TS 62561-8 (VDE V 0185-561-8)

Brand: DEHN
Type: SR D50 5000 FS2500 IP SA HVIP GFK V2A
Part No.: 105395
or equivalent.

认证

 

技术参数

Material of supporting tube GRP / StSt
Length of supporting tube 5000 mm
Outside diameter Ø 50 mm
Transport length 5000 mm
Length of insulating clearance 1800 mm
Suitable for installation outside the tube no
Standard DIN IEC/TS 62561-8 (VDE V 0185-561-8)

.产品已加入收藏夹。

商品105395加入购物车。


返回顶部