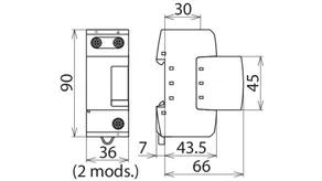
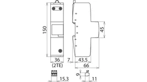
DEHNgap
- Discharge capacity up to 100 kA (10/350 µs)
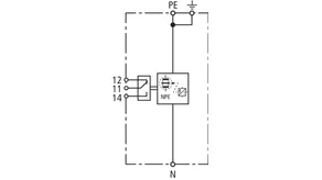
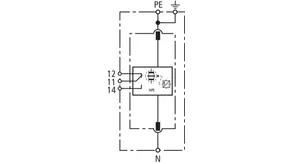
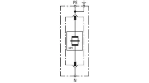
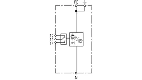
- Total current arrester specifically designed for installation in 3+1 and 1+1 configurations of TT systems according to IEC 60364-5-53 between neutral conductor N and protective conductor PE
- Creepage discharge spark gap technology
- Operating state / fault indication by green / red indicator flag in the inspection window
详情
货号 961101 DGP M 255
全球贸易项目代码 4013364118676, 海关HS编码: 85363030, 总重: 331.00 g, 包装单位: 1.00 pc(s)
前代产品技术参数
| SPD according to EN 61643-11 / IEC 61643-11 | type 1 / class I |
| Max. continuous operating voltage (a.c.) (UC ) | 255 V (50 / 60 Hz) |
| Lightning impulse current (10/350 µs) (Iimp ) | 100 kA |
| Voltage protection level (UP ) | ≤ 1.5 kV |
| Approvals | VDE, KEMA, UL |
货号 961105 DGP M 255 FM
全球贸易项目代码 4013364118683, 海关HS编码: 85363030, 总重: 336.00 g, 包装单位: 1.00 pc(s)
前代产品技术参数
| SPD according to EN 61643-11 / IEC 61643-11 | type 1 / class I |
| Max. continuous operating voltage (a.c.) (UC ) | 255 V (50 / 60 Hz) |
| Lightning impulse current (10/350 µs) (Iimp ) | 100 kA |
| Voltage protection level (UP ) | ≤ 1.5 kV |
| Approvals | VDE, KEMA, UL |
| Type of remote signalling contact | changeover contact |
货号 900050 DGPM 1 255 S
全球贸易项目代码 4013364107496, 海关HS编码: 85363090, 总重: 539.00 g, 包装单位: 1.00 pc(s)
技术参数
| SPD according to EN 61643-11 / IEC 61643-11 | type 1 / class I |
| Max. continuous operating voltage (a.c.) (UC ) | 255 V (50 / 60 Hz) |
| Lightning impulse current (10/350 µs) (Iimp ) | 100 kA |
| Voltage protection level (UP ) | ≤ 2.5 kV (including 80 cm connecting cable) |
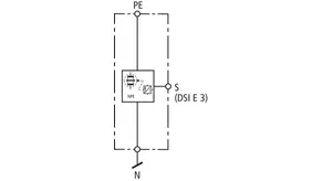
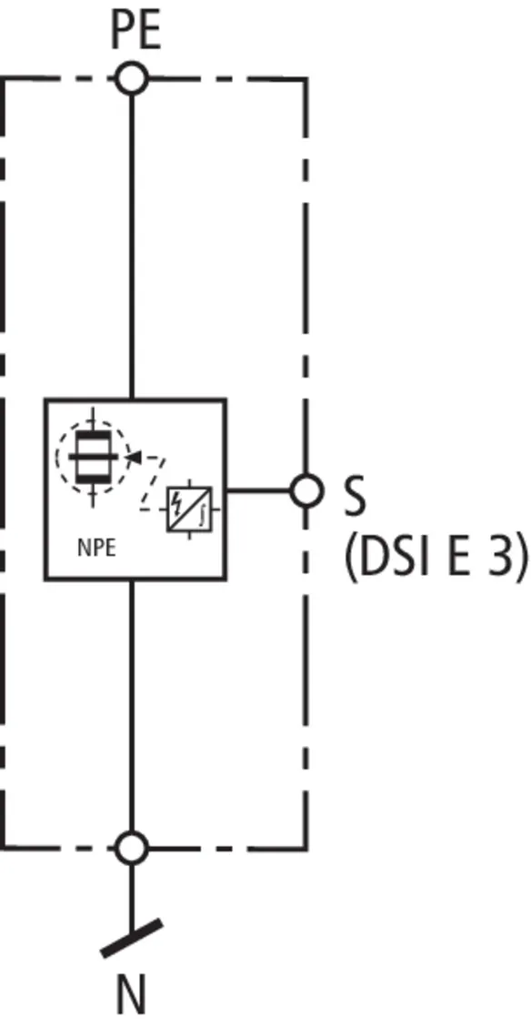
| Operating state monitoring | via DEHNsignal DSI E 3 |
货号 961180 DGPM 1 255
全球贸易项目代码 4013364157323, 海关HS编码: 85363090, 总重: 460.00 g, 包装单位: 1.00 pc(s)
技术参数
| SPD according to EN 61643-11 / IEC 61643-11 | type 1 + type 2 / class I + class II |
| Max. continuous operating voltage (a.c.) (UC ) | 255 V (50 / 60 Hz) |
| Lightning impulse current (10/350 µs) (Iimp ) | 100 kA |
| Voltage protection level (UP ) | ≤ 1.5 kV |
| Approvals | KEMA |
货号 961185 DGPM 1 255 FM
全球贸易项目代码 4013364157330, 海关HS编码: 85363090, 总重: 460.00 g, 包装单位: 1.00 pc(s)
技术参数
| SPD according to EN 61643-11 / IEC 61643-11 | type 1 + type 2 / class I + class II |
| Max. continuous operating voltage (a.c.) (UC ) | 255 V (50 / 60 Hz) |
| Lightning impulse current (10/350 µs) (Iimp ) | 100 kA |
| Voltage protection level (UP ) | ≤ 1.5 kV |
| Approvals | KEMA |
| Type of remote signalling contact | changeover contact |
货号 961160 DGPM 440
全球贸易项目代码 4013364116290, 海关HS编码: 85363030, 总重: 415.00 g, 包装单位: 1.00 pc(s)
技术参数
| SPD according to EN 61643-11 / IEC 61643-11 | type 1 / class I |
| Max. continuous operating voltage (a.c.) (UC ) | 440 V (50 / 60 Hz) |
| Lightning impulse current (10/350 µs) (Iimp ) | 100 kA |
| Voltage protection level (UP ) | ≤ 2.5 kV |
| Approvals | UL |
货号 961165 DGPM 440 FM
全球贸易项目代码 4013364116306, 海关HS编码: 85363030, 总重: 418.00 g, 包装单位: 1.00 pc(s)
技术参数
| SPD according to EN 61643-11 / IEC 61643-11 | type 1 / class I |
| Max. continuous operating voltage (a.c.) (UC ) | 440 V (50 / 60 Hz) |
| Lightning impulse current (10/350 µs) (Iimp ) | 100 kA |
| Voltage protection level (UP ) | ≤ 2.5 kV |
| Approvals | UL |
| Type of remote signalling contact | changeover contact |
货号 961102 DGPH M 255
全球贸易项目代码 4013364118690, 海关HS编码: 85363030, 总重: 300.00 g, 包装单位: 1.00 pc(s)
前代产品技术参数
| SPD according to EN 61643-11 / IEC 61643-11 | type 1 / class I |
| Max. continuous operating voltage (a.c.) (UC ) | 255 V (50 / 60 Hz) |
| Lightning impulse current (10/350 µs) (Iimp ) | 100 kA |
| Voltage protection level (UP ) | ≤ 4 kV |
