Conductor Holders for HVI Conductor in Ex Areas

Operators of facilities with potentially explosive atmospheres are obligated to specify these facilities/structures according to the different hazardous areas. For these facilities lightning has to be considered as potential source of ignition. National regulations on health and safety at work require a documentation of the protection against explosion, with a specification of the particular hazardous areas.

HVI Conductor for installation in explosion hazardous areas Ex zone 1 (gases, vapours, mists) as well as Ex zone 21 (dusts). The special installation conditions safely prevent electric sparks to neighbouring metal parts when lightning current flows through the HVI Conductor.

详情

lorem ipsum
Schematic illustration – installation in Ex zones 1 and 21 on a metal facade.
lorem ipsum
lorem ipsum

HVI Ex W70 holder

For fixing to metal structural parts (façades) in Ex zones 1 and 21.

1 产品

货号 275440 LH ZS 20 EX W70 BP V2A

全球贸易项目代码 4013364146914, 海关HS编码: 85389099, 总重: 164.60 g, 包装单位: 10.00 pc(s)

前代产品

图片

附加信息

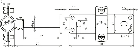
Conductor holder for HVI Conductors in hazardous areas, StSt
Conductor holder for HVI Conductors in hazardous areas with spacer (70 mm)
for fixing on metal construction parts (façades) in Ex zones 1 and 21
Conductor support Rd: 20 mm
Fixing: [4x] Ø5.1 / [2x] 7 x 10 mm
Standard: DIN IEC/TS 62561-8 (VDE V 0185-561-8)

Brand: DEHN
Type: LH ZS 20 EX W70 BP V2A
Part No.: 275440
or equivalent.

认证

 

技术参数

Material StSt
Conductor support Rd 20 mm
Distance from wall 70 mm
Fixing [4x] Ø5.1 / [2x] 7 x 10 mm
Standard DIN IEC/TS 62561-8 (VDE V 0185-561-8)

.产品已加入收藏夹。

商品275440加入购物车。


HVI Ex W200 holder

For fixing to metal structural parts (façades) in Ex zones 1 and 21.

1 产品

货号 275441 LH ZS 20 EX W200 BP V2A

全球贸易项目代码 4013364146921, 海关HS编码: 85389099, 总重: 255.60 g, 包装单位: 10.00 pc(s)


图片

附加信息

Conductor holder for HVI Conductors in hazardous areas Ex W200, StSt
Conductor holder for HVI conductors in hazardous areas with spacer (200 mm)
for fixing on metal construction parts (façades) in Ex zones 1 and 21
Conductor support Rd: 20 mm
Fixing: [4x] Ø5.1 / [2x] 7 x 10 mm
Standard: DIN IEC/TS 62561-8 (VDE V 0185-561-8)

Brand: DEHN
Type: LH ZS 20 EX W200 BP V2A
Part No.: 275441
or equivalent.

认证

 

技术参数

Material StSt
Conductor support Rd 20 mm
Distance from wall 200 mm
Fixing [4x] Ø5.1 / [2x] 7 x 10 mm
Standard DIN IEC/TS 62561-8 (VDE V 0185-561-8)

.产品已加入收藏夹。

商品275441加入购物车。


HVI Ex busbar 500

For installing the HVI Conductor with conductor holders HVI Ex W70 holder (Part No. 275 440) on a non-conductive structure, e.g. stone, wood.

1 产品

货号 275498 VS EX 500 V2A

全球贸易项目代码 4013364146945, 海关HS编码: 85389099, 总重: 320.00 g, 包装单位: 10.00 pc(s)

前代产品

图片

附加信息

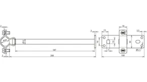
Conductor holder for HVI Conductors in hazardous areas Ex busbar 500, StSt
Connecting brace for installing the HVI Conductor on a non-conductive structure
e.g. stone, wood, using a HVI Ex conductor holder (Part No. 275 440, 275 441)
Material of brace: StSt
Fixing: [4x] Ø5.5 / [2x] 7 x 10 mm
Dimension: 450 x 30 x 3 mm

Brand: DEHN
Type: VS EX 500 V2A
Part No.: 275498
or equivalent.

认证

 

技术参数

Material of brace StSt
Fixing [4x] Ø5.5 / [2x] 7 x 10 mm
Dimension (l x w x d) 450 x 30 x 3 mm

.产品已加入收藏夹。

商品275498加入购物车。


HVI Ex P70 holder

For fixing to pipes, e.g. with pipe clamp (Part No. 106 323) in Ex zones 1 and 21.

1 产品

货号 275444 LH ZS 20 EX P70 SBB V2A

全球贸易项目代码 4013364244252, 海关HS编码: 85389099, 总重: 173.20 g, 包装单位: 10.00 pc(s)


图片

附加信息

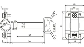
Conductor holder for HVI Conductors in hazardous areas, StSt
Conductor holder for HVI Conductors in hazardous areas with spacer (70 mm), to be fixed to pipes
e.g. using a pipe clamp (Part No. 106 323, to be ordered separately) in Ex zones 1 and 21
Conductor support Rd: 20 mm
Clamping range of tube: 50-300 mm
Standard: DIN IEC/TS 62561-8 (VDE V 0185-561-8)

Brand: DEHN
Type: LH ZS 20 EX P70 SBB V2A
Part No.: 275444
or equivalent.

认证

 

技术参数

Material StSt
Conductor support Rd 20 mm
Distance from wall 70 mm
Clamping range of tube 50-300 mm
Standard DIN IEC/TS 62561-8 (VDE V 0185-561-8)

.产品已加入收藏夹。

商品275444加入购物车。


HVI Ex P200 holder

For fixing to pipes, e.g. with pipe clamp (Part No. 106 323) in Ex zones 1 and 21.

1 产品

货号 275442 LH ZS 20 EX P200 SBB V2A

全球贸易项目代码 4013364146938, 海关HS编码: 85389099, 总重: 264.00 g, 包装单位: 10.00 pc(s)

前代产品

图片

附加信息

Conductor holder for HVI Conductors in hazardous areas Ex P200 holder, StSt
Conductor holder for HVI Conductors in hazardous areas with spacer (200 mm)
for fixing to pipes, e.g. using a pipe clamp (Part No. 106 323, to be ordered separately) in Ex zones 1 and 21
Conductor support Rd: 20 mm
Clamping range of tube: 50-300 mm
Standard: DIN IEC/TS 62561-8 (VDE V 0185-561-8)

Brand: DEHN
Type: LH ZS 20 EX P200 SBB V2A
Part No.: 275442
or equivalent.

认证

 

技术参数

Material StSt
Conductor support Rd 20 mm
Distance from wall 200 mm
Clamping range of tube 50-300 mm
Standard DIN IEC/TS 62561-8 (VDE V 0185-561-8)

.产品已加入收藏夹。

商品275442加入购物车。


返回顶部